EasyManua.ls Logo

Midland 200 - Page 53

Midland 200
72 pages
Go to English
To Next Page IconTo Next Page
To Next Page IconTo Next Page
To Previous Page IconTo Previous Page
To Previous Page IconTo Previous Page
Loading...

3

Η ασφάλεια και η ευκολία είναι η αρχική σκέψη στη τοποθέτηση οποιουδήποτε μέρους του
εξοπλισμού στο αυτοκίνητο. Όλα τα πλήκτρα ελέγχου πρέπει να είναι άμεσα προσβάσιμα και να
μη παρεμποδίζονται οι κινήσεις του χρήστη, για το σωστό χειρισμό του οχήματος. Βεβαιωθείτε ότι
όλες οι καλωδιώσεις είναι μακριά από τα φρένα ,το συμπλέκτη και το γκάζι. Σκεφτείτε επίσης και
την άνεση των επιβατών.
Μια άλλη εξαιρετικά σημαντική ανάγκη είναι η ευκολία στην τοποθέτηση και αφαίρεση της συσκευής
στις περιπτώσεις που θέλετε να την αφαιρέσετε για service ή συντήρηση.
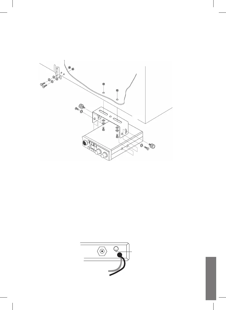
Η πιο κοινή θέση τοποθέτησης για έναν πομποδέκτη είναι κάτω από το ταμπλό. Μην τοποθετείτε
τον πομποδέκτη από εκεί που περνάει το καλοριφέρ ή ο κλιματισμός. Να είστε προσεκτικοί κατά
την τοποθέτηση. Όταν καθορίσετε την καλύτερη θέση για το μοντάρισμα, χρησιμοποιήστε τη βάση
στήριξης ως υπόδειγμα για να μαρκάρετε τις τρύπες στήριξης. Προσέξτε όταν κάνετε τις τρύπες με
το τρυπάνι ώστε να μην καταστρέψετε/φθείρετε την καλωδίωση, την ταπετσαρία ή άλλο μέρος του
αυτοκινήτου.
Στερεώστε τον πομποδέκτη με τις βίδες στερέωσης, τις ροδέλες στερέωσης και τα παξιμάδια ή τις
λαμαρινόβιδες. Μπορείτε να εγκαταστήσετε αυτόν τον πομποδέκτη σε οποιαδήποτε θέση αρκεί να
υπάρχει διαθέσιμη τροφοδοσία 12 V dc.
Τοποθετήστε το καλώδιο παροχής στην υποδοχή του αναπτήρα του αυτοκινήτου.
Πριν λειτουργήσετε τον πομποδέκτη, πρέπει να τοποθετήσετε και να συνδέσετε την κεπαία σας.
Το βύσμα της κεραίας σας πρέπει να συνδεθεί με τον ομοαξονικό κονέκτορα στη συσκευή σας. Εάν
χρησιμοποιείτε ένα εξωτερικό μεγάφωνο, συνδέστε το με την υποδοχή EXT-SPKR.
ANT
EXT
SPKR
+RED
-BLK
ροδέλα
βίδα στερέωσης
βίδα στερέωσης
ροδέλα
ροδέλα
βίδα στερέωσης
παξιμάδι
Βάση στήριξης
ροδέλα
βίδα στερέωσης
ρυθμιστικός κοχλίας

Related product manuals