EasyManua.ls Logo

Midland SYN-TECH 70-050 - Page 26

Midland SYN-TECH 70-050
39 pages
Print Icon
To Next Page IconTo Next Page
To Next Page IconTo Next Page
To Previous Page IconTo Previous Page
To Previous Page IconTo Previous Page
Loading...
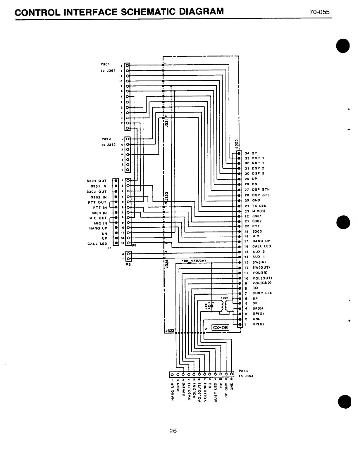
CONTROL
INTERFACE
SCHEMATIC
DIAGRAM
70-055