EasyManua.ls Logo

Miele PG 8535 - Page 7

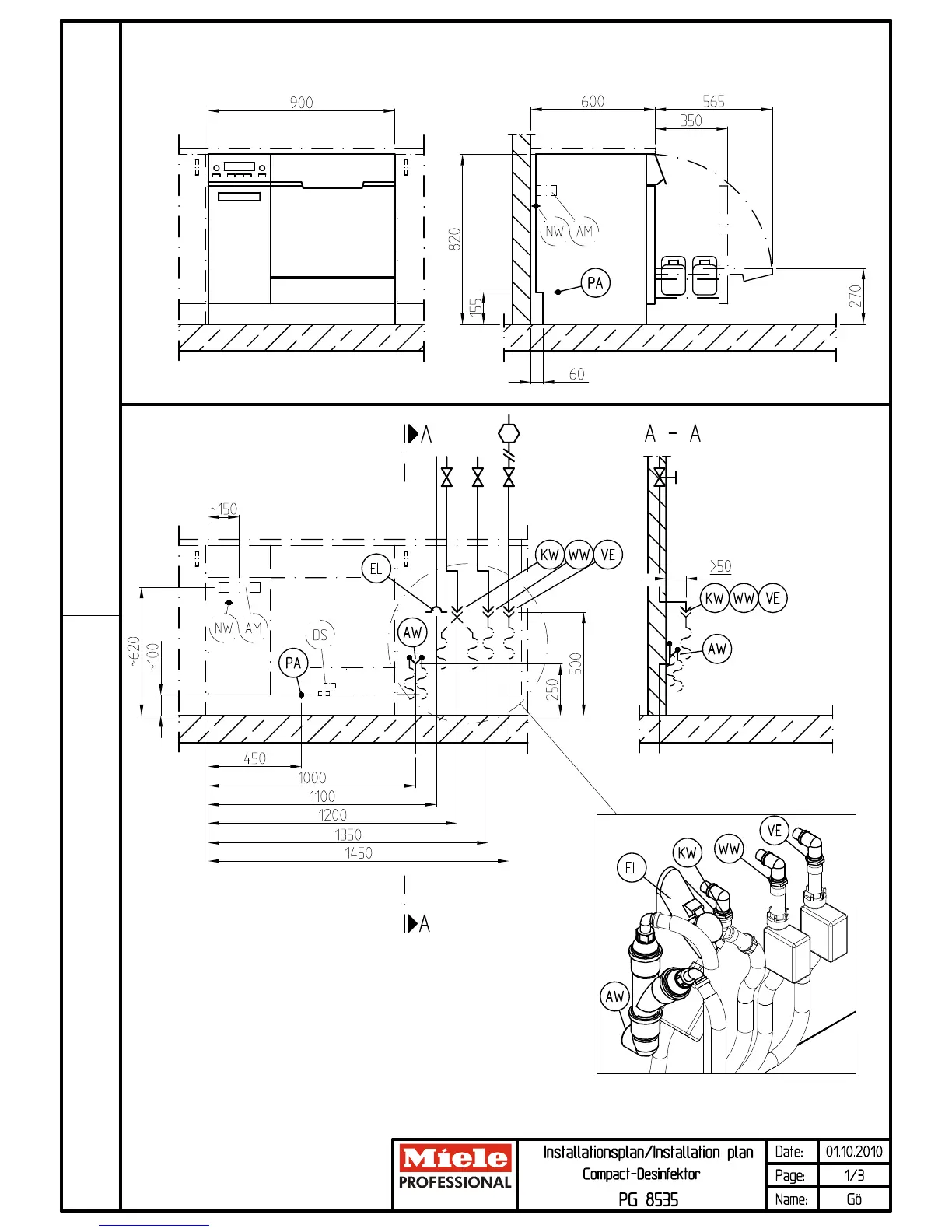
Miele PG 8535
9 pages
Print Icon
To Next Page IconTo Next Page
To Next Page IconTo Next Page
To Previous Page IconTo Previous Page
To Previous Page IconTo Previous Page
Loading...

Related product manuals