EasyManua.ls Logo

MINOURA RDA2429 - Page 2

MINOURA RDA2429
8 pages
Print Icon
To Next Page IconTo Next Page
To Next Page IconTo Next Page
To Previous Page IconTo Previous Page
To Previous Page IconTo Previous Page
Loading...
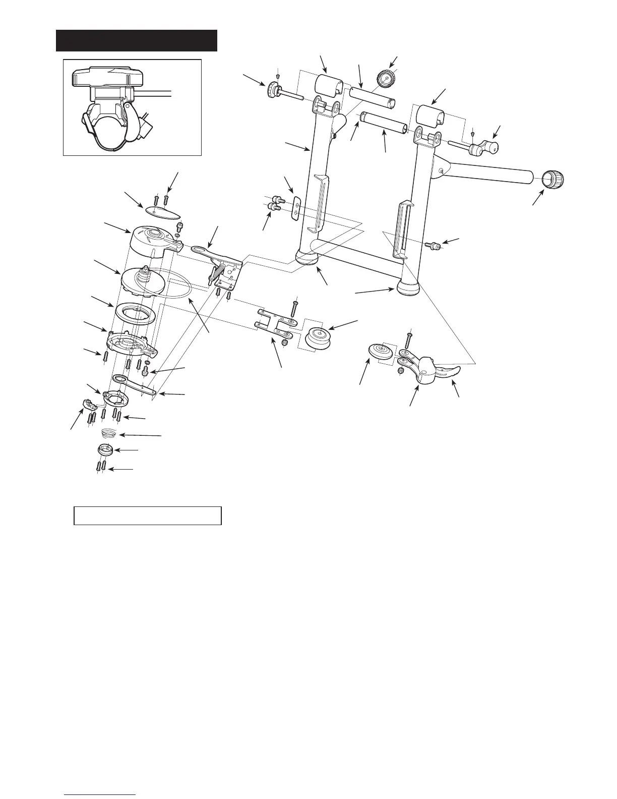
ER-1 : Upper Case
ER-2 : Lower Case
ER-3 : Top Ciover
F-1 : Right Side Coupling ER-4 : Magnet Guide Ring
F-2 : Left Side Coupling ER-5 : Dial Lever
F-4 : Coupling Cover ER-6 : Spring Holder
F-7 : Hub Clamp Handle ER-7 : Flywheel + Alloy Rotor
F-8 : Wheel Position Adjust Knob ER-8 : Magnet
F-9 : Plastic Cap (Grommet) ER-9 : Spring
UF-13 : Rubber Cap (45mm) ER-10 : Main Arm + Pressure Lever
UF-20 : RDA2429 Frame ER-11 : Sub Arm
M8-4 : Rubber Foot Cap (35mm) ER-12 : Pulley Holder
SR-5 : V-Belt (K-16) ER-13 : Assistant Roller Holder
SR-12 : Cap Screw M6x18 ER-14 : Tension Lever
SR-13 : Reinforcement Plate ER-26 : Drive Roller (engraved)
GM-22 : Remote Shifter (White) ER-27 : Assistant Roller (engraved)
ER-1
ER-2
ER-3
ER-4
ER-5
ER-6
ER-7
ER-8
ER-9
ER-10
SR-5
ER-11
S-size screw
M-size screw
L-size
screw
RDA2429 Schematics
M-size screw
Bolt with
spring washer
ER-26
ER-12
ER-27
ER-13
ER-14
UF-20
SR-12
SR-13
SR-12
UF-13
M8-4
F-4
F-7
F-1
F-9
F-2
F-4
F-8
M8-4
GM-22
(R type)
Parts Code / Parts Name
** Have the parts codes and names ready for your local shop
so they will know exactly which parts you need.

Related product manuals