EasyManua.ls Logo

MiTAC TYAN S8030 - Mainboard Mechanical Drawing

MiTAC TYAN S8030
160 pages
Print Icon
To Next Page IconTo Next Page
To Next Page IconTo Next Page
To Previous Page IconTo Previous Page
To Previous Page IconTo Previous Page
Loading...
http://www.tyan.com
14
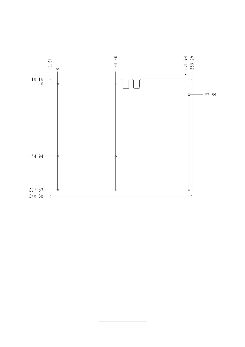
2.3 Mainboard Mechanical Drawing

Related product manuals