EasyManua.ls Logo

Mitox 455CSX - Page 33

Mitox 455CSX
52 pages
Print Icon
To Next Page IconTo Next Page
To Next Page IconTo Next Page
To Previous Page IconTo Previous Page
To Previous Page IconTo Previous Page
Loading...
455CSX / 515CSX PREMIUM Chainsaw
33
Original Instructions Version July 18
455CSX/515CSX_030718
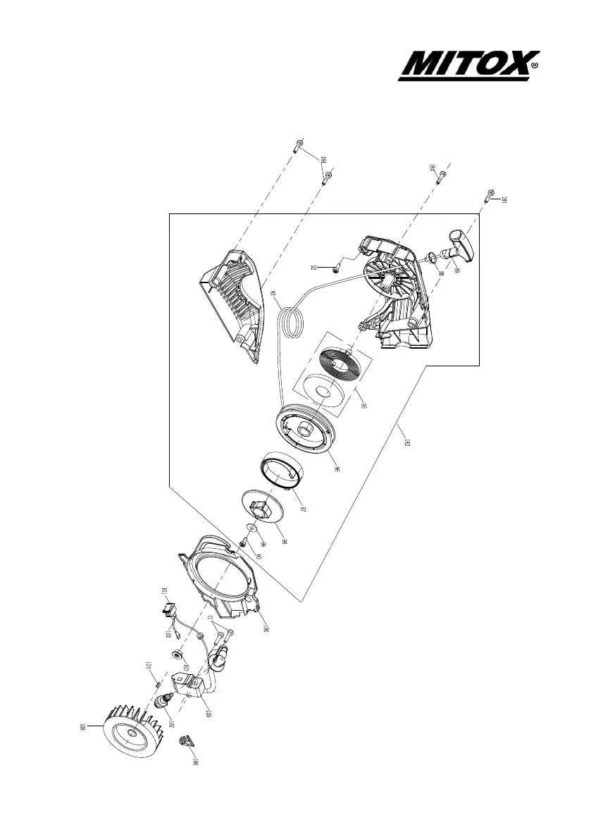
455CSX Parts - Recoil Assembly

Related product manuals