EasyManua.ls Logo

Mitsubishi Electric MXZ-2A30VA - E2 - Page 81

Mitsubishi Electric MXZ-2A30VA - E2
192 pages
Print Icon
To Next Page IconTo Next Page
To Next Page IconTo Next Page
To Previous Page IconTo Previous Page
To Previous Page IconTo Previous Page
Loading...
81
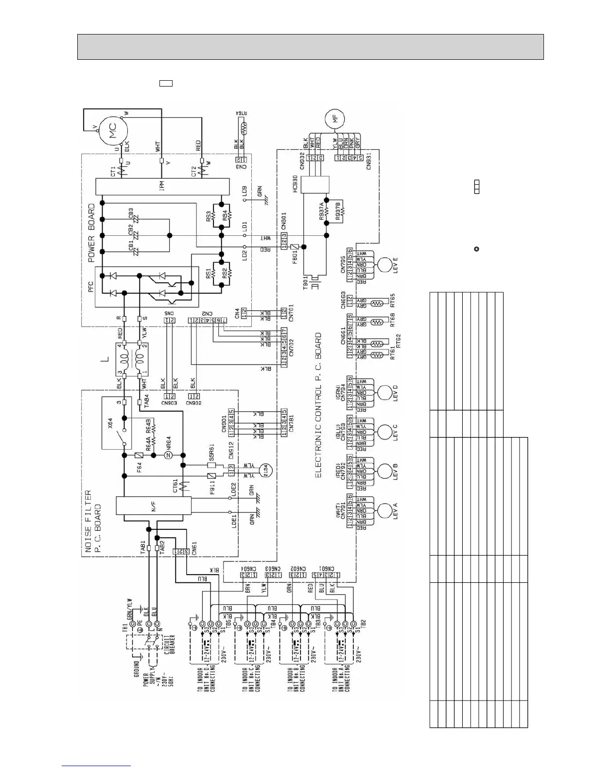
:Terminal block :Connector
3.Symbols below indicate.
2.Use copper conductors only (for field wiring).
diagram for servicing.
refer to the indoor unit electric wiring
1.About the indoor side electric wiringNOTES:
SYMBOL
NAME
SYMBOL
NAME
CURRENT TRANSFORMER
FUSE (T1AL250V)
FUSE (T3.15AL250V)
LEV A~D
EXPANSION VALVE
L
REACTOR
IPM
INTELLIGENT POWER MODULE
CT61
CT1, 2
CURRENT TRANSFORMER
HC930
INTELLIGENT POWER MODULE
F911
F801
F64
FUSE (T2AL250V)
SMOOTHING CAPACITORCB1~3
OUTDOOR FAN MOTOR
POWER FACTOR CONTROLLER
NOISE FILTER
RT61
DEFROST THERMISTOR
RS1~4
RESISTOR
R937A, B
RESISTOR
MF
MC
COMPRESSOR
R64A,B
RESISTOR
PFC
N/F
NR64 VARISTOR
EXPANSION VALVELEV E
AMBIENT TEMPERATURE THERMISTOR
SOLENOID COIL RELAY
21S4
R.V. COIL
X64
RELAY
TB1~5
TERMINAL BLOCK
RT65
RT64
FIN TEMPERATURE THERMISTOR
T801
TRANSFORMER
SSR61
RT68
OUTDOOR HEAT EXCHANGER
TEMPERATURE THERMISTOR
DISCHARGE TEMPERATURE THERMISTOR
RT62
NAME
SYMBOL
MXZ-4A71VA -
E4