EasyManua.ls Logo

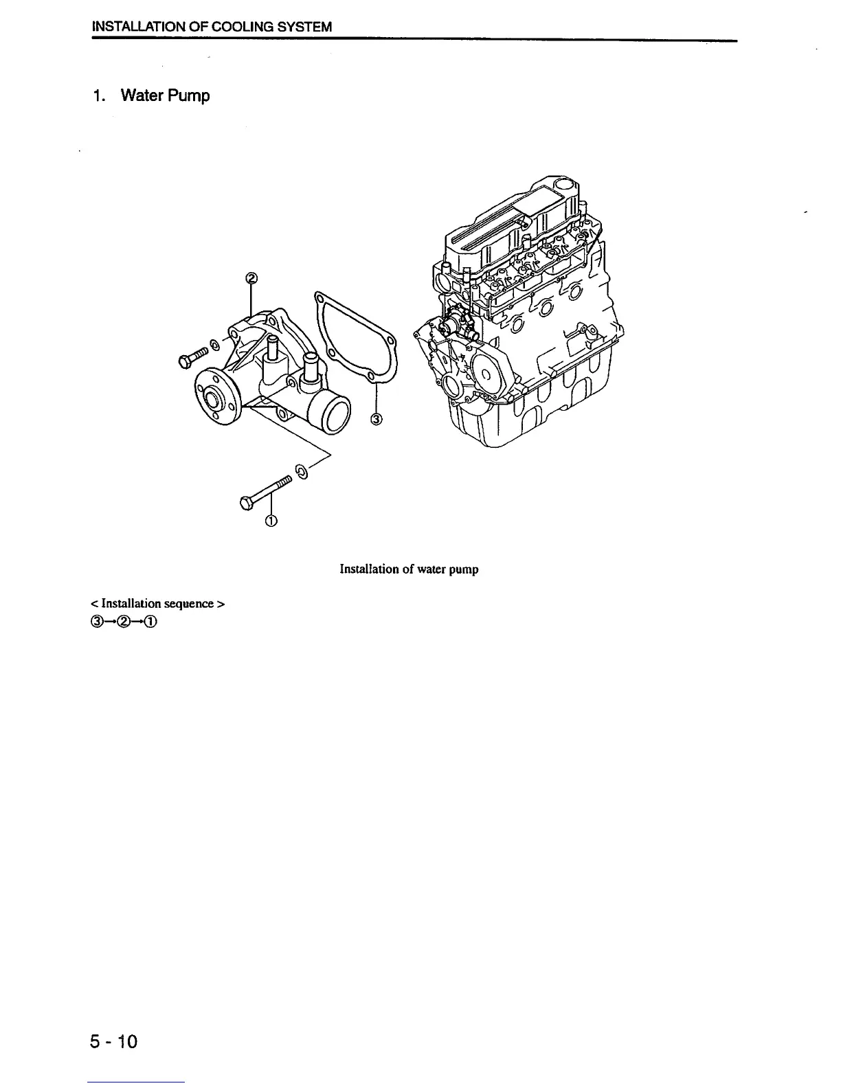
Mitsubishi S4Q - Water Pump Installation

Mitsubishi S4Q
199 pages
Print Icon
To Next Page IconTo Next Page
To Next Page IconTo Next Page
To Previous Page IconTo Previous Page
To Previous Page IconTo Previous Page
Loading...

Table of Contents

Other manuals for Mitsubishi S4Q

Related product manuals