EasyManua.ls Logo

Mitsubishi SRK05CR-S

Mitsubishi SRK05CR-S
118 pages
To Next Page IconTo Next Page
To Next Page IconTo Next Page
To Previous Page IconTo Previous Page
To Previous Page IconTo Previous Page
Loading...
-
26
-
'15 • SRK-T-171
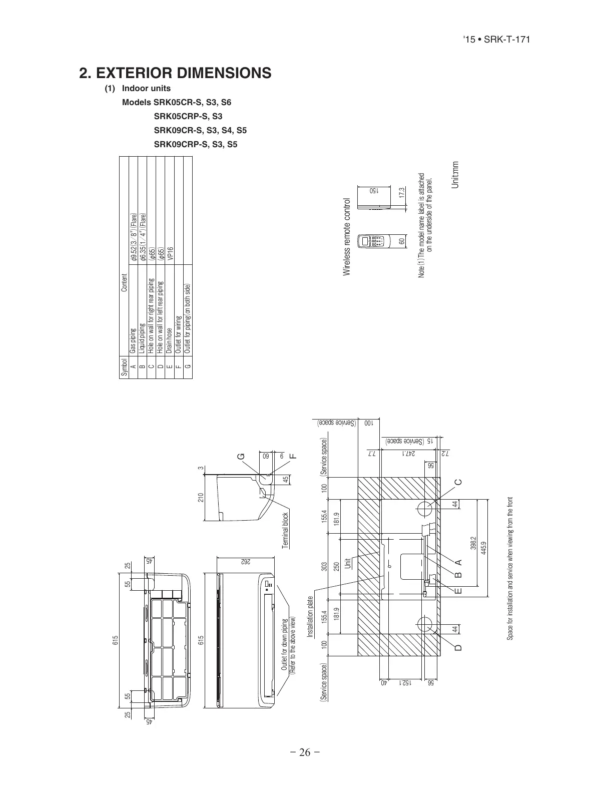
2. EXTERIOR DIMENSIONS
(1) Indoor units
Models SRK05CR-S, S3, S6
SRK05CRP-S, S3
SRK09CR-S, S3, S4, S5
SRK09CRP-S, S3, S5
Note(1Themodelnamelabelisattached
   ontheundersideofthepanel.
60
150
17.3
2555
45
55
45
25
615
615
262
3210
45
609
44
56
247.1
(Servicespace
15
7.2 7.7
44
56 40152.1
100
(Servicespace
155.4
181.9 250 181.9
100
(Servicespace
303 155.4
Unit
100
(Servicespace
445.9
398.2
Installationplate
Unit:mm
Wirelessremotecontrol
Spaceforinstallationandservicewhenviewingfromthefront
Holeonwallforrightrearpiping
Holeonwallforleftrearpiping
Outletforwiring
Drainhose
Liquidpiping
F
E
C
D
B
Symbol
φ65)
VP16
eralF"4153.6φ
Content
φ65)
Outletforpiping(onbothside)
G
Outletfordownpiping
(Refertotheaboveview)
D E AB C
Gaspiping
A
eralF"8325.9φ
G
F
Terminalblock
All manuals and user guides at all-guides.com

Related product manuals