EasyManua.ls Logo

MOODY Eclipse 38 - Page 67

Default Icon
118 pages
Print Icon
To Next Page IconTo Next Page
To Next Page IconTo Next Page
To Previous Page IconTo Previous Page
To Previous Page IconTo Previous Page
Loading...
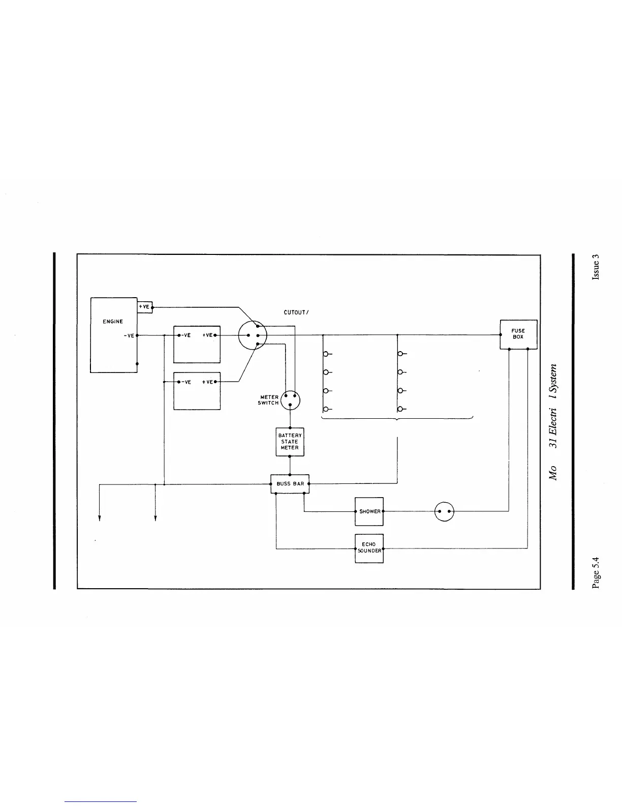
STARTER
DISCRETE
CUTOUT/
BATTERY SWITCH
SKIN FITTINGS SACRIFICAL
(PROP SEACOCKS ETC) ANODES
>-
CABIN LIGHT
>-
DECK LIGHT
O-
NAVIGATION LIGHT
O-
STEAMING LIGHT
D-
O-
COMPASS LIGHT
o-
O-
FRESHWATER PUMP
ALL NEGATIVES TO EARTH
VIA BUSS BAR
PUSH PULL
SWITCH
g
t

Table of Contents

Related product manuals