EasyManua.ls Logo

MOOV MP15AI - Contrôle Externe

Default Icon
85 pages
Print Icon
To Next Page IconTo Next Page
To Next Page IconTo Next Page
To Previous Page IconTo Previous Page
To Previous Page IconTo Previous Page
Loading...
46
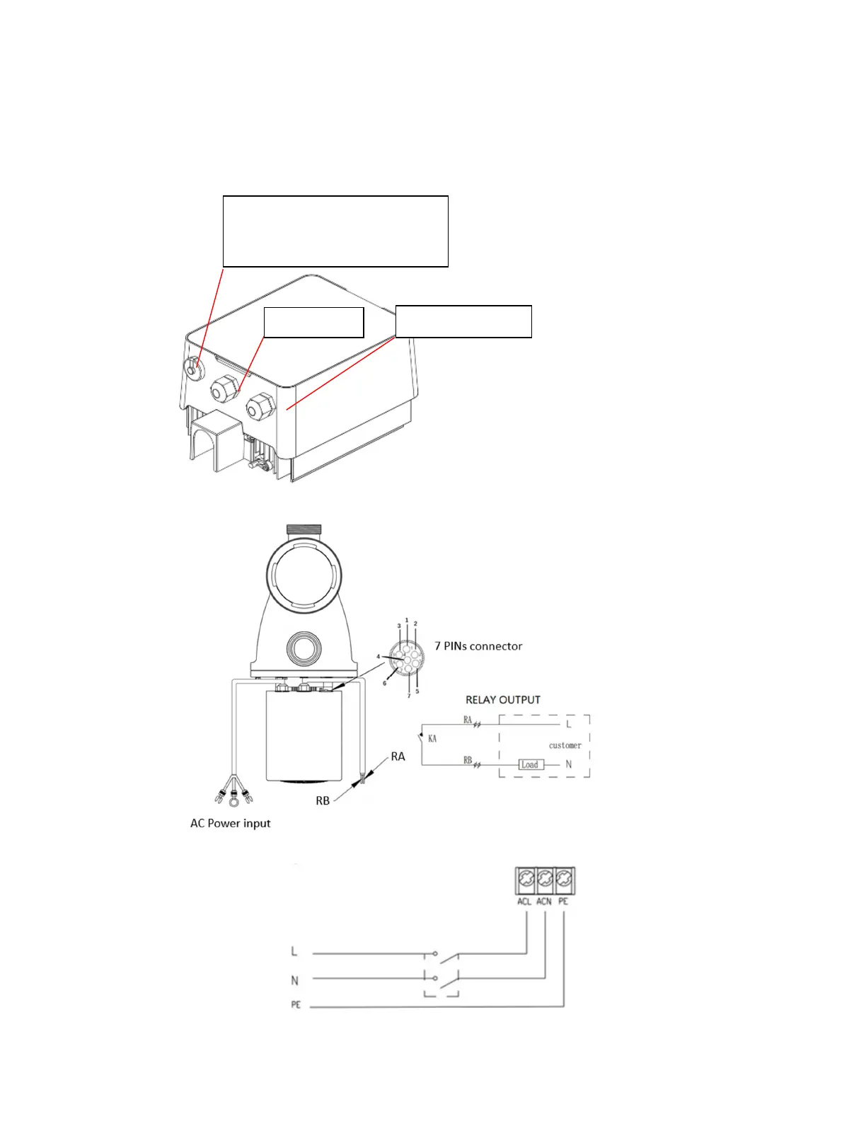
7. CONTRÔLE EXTERNE
Le contrôle externe peut être activé via les contacts suivants. Si plusieurs contrôles externes sont
activés, la priorité est la suivante : Entrée numérique > contrôle du panneau de > RS485
Entrée d’alimentation
Noir L
Rouge N
PE Jaune et vert
Connecteur pour les entrées utilisateurs
configurables, y compris l’entrée
numérique et le RS485
Sortie de relais
Figure 3.

Related product manuals