EasyManua.ls Logo

Motorola GP328 Plus - VHF Controls and Switches Schematic Diagram (Sheet 2 of 2 for 8404055 G09 PCB)

Motorola GP328 Plus
206 pages
To Next Page IconTo Next Page
To Next Page IconTo Next Page
To Previous Page IconTo Previous Page
To Previous Page IconTo Previous Page
Loading...
Circuit Board/Schematic Diagrams and Parts List 5A-21
PC1
2
PC2
4
PC3
8
Q502
SWITCH
S501
C0
C0
C1
C1
GND
7
GND1
9
PC0
1
VR440
8V
R501
680
.01uF
C520
C521
.01uF
HIGH
3
6
TAB1
7
TAB2
2
mgc_comps
S502
4
LOW
15
VR441
8V
8V
VR444
SWITCH
A1
1
A2
3
B1
2
B2
4
PB502
Q505
C502
0.47uF
C511
VR501
6.8V
100pF
C513
47K
R506
47K
DATA
NEG
POS
B501
C505
100pF
6.8V
VR506
R505
10K
SWITCH
A1
1
A2
3
B1
2
B2
4
24V
F501
21
PB505
3
B1
2
B2
4
PB504
SWITCH
A1
1
A2
C523
1000pF
C503
100pF
2
4
3
390nH
IMX1
5
1
6
L505
10V
12V
VR439
CR501
R502
180
C522
B503
01uF
A1
1
A2
3
B1
2
B2
4
PB501
SWITCH
24
13
B504
CR503
100pF
100pF
C514
MECH_SWB+
EMER
UNSWB+
100pF
C512
Vdda
SB1
PTT
SB2
RTA3
RTA2
RTA0
RTA1
VOL
Vdda
LI_ION
BATT_CODE
GREEN_LED
SWB+
RED_LED
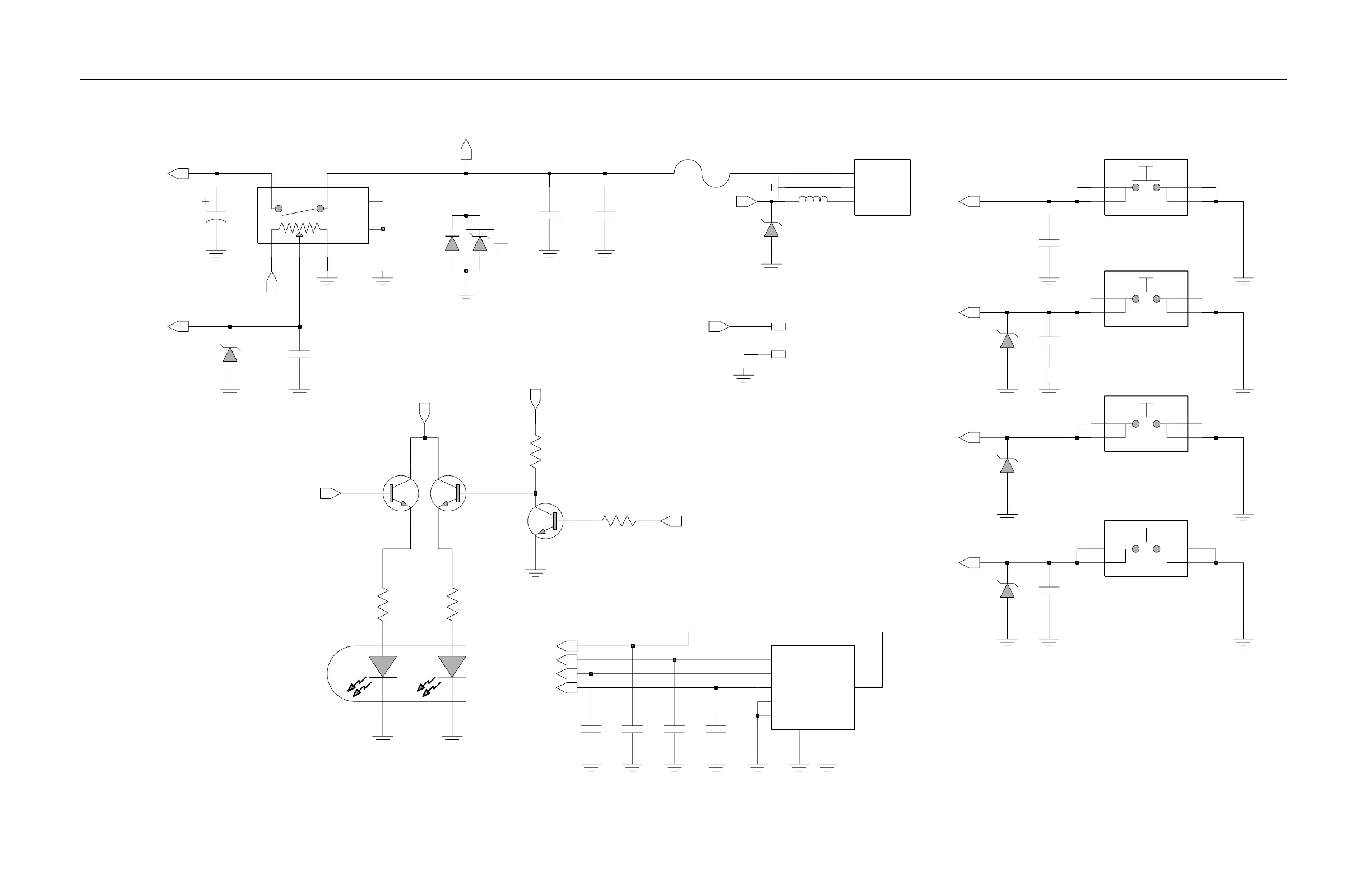
VHF Controls And Switches Schematic Diagram
(sheet 2 of 2 for 8404055G09 PCB)

Table of Contents

Related product manuals