EasyManua.ls Logo

Motorola GP580

Motorola GP580
108 pages
To Next Page IconTo Next Page
To Next Page IconTo Next Page
To Previous Page IconTo Previous Page
To Previous Page IconTo Previous Page
Loading...
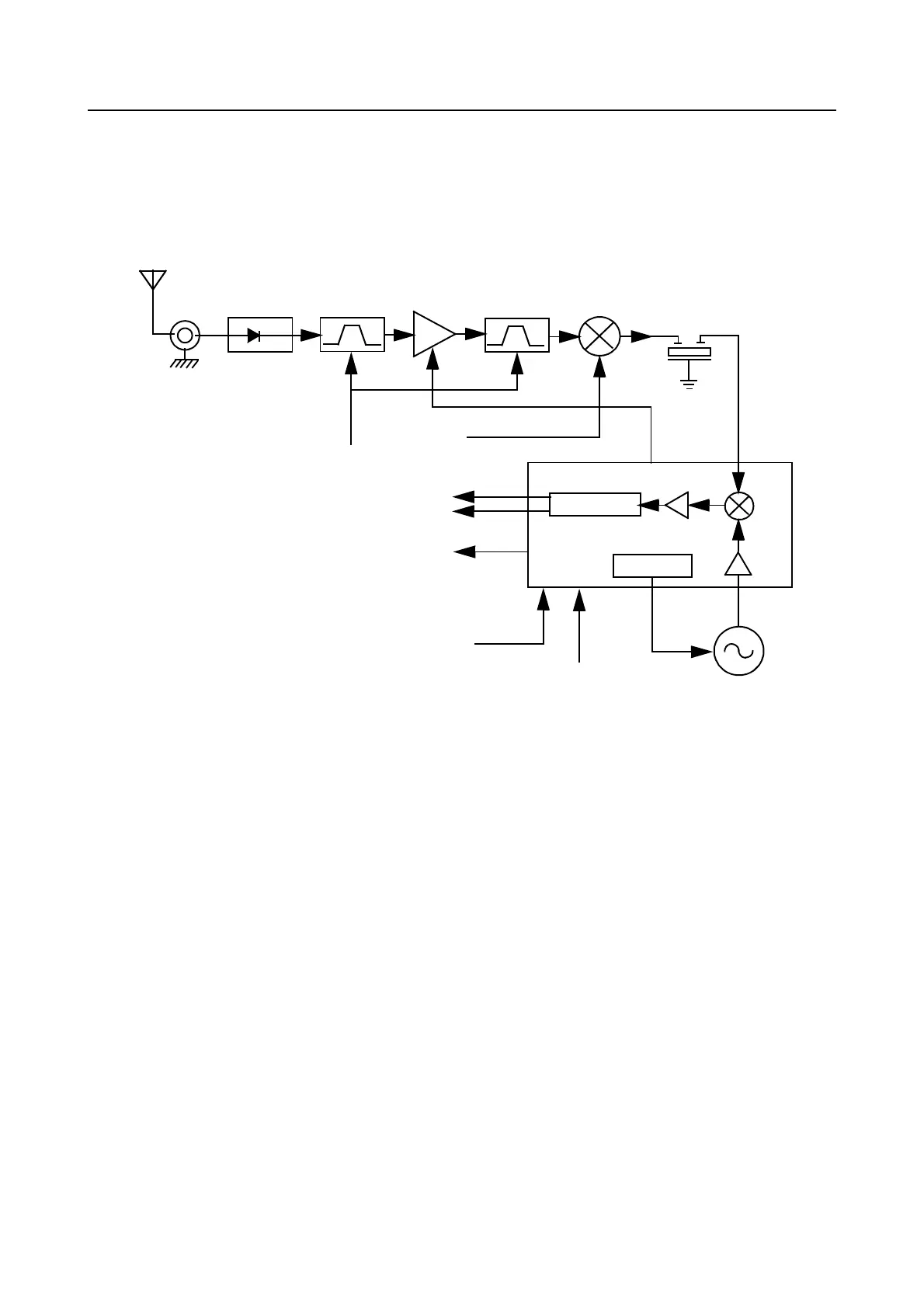
VHF Receiver (for all models except those with PCB8486473Z04) 2-3
3.0 VHF Receiver (for all models except those with PCB8486473Z04)
The VHF receiver consists of a front end, back end, and automatic gain control circuits. A block
diagram of the VHF receiver is shown in Figure 2-2. Detailed descriptions of these features are
contained in the paragraphs that follow.
Figure 2-2 VHF Receiver Block Diagram.
3.1 Receiver Front-End
(
Refer to Figure 2-2 and the VHF Receiver Front End schematic diagram
)
The RF signal is received by the antenna and applied to a low-pass filter consisting of L3531,
L3532, C3532 to C3563. The filtered RF signal is passed through the antenna switch. The antenna
switch circuit consists of two pin diodes (D3521 and D3551) and a pi network (C3531, L3551, and
C3550).The RF signal is then applied to a varactor tuned bandpass filter which consists of L3301,
L3303, C3301 to C3304, and D3301. The filter is tuned by applying a control voltage to the varactor
diode (D3301) in the filter.
The bandpass filter is electronically tuned by the DACRx from IC 404 which is controlled by the
microprocessor. Depending on the carrier frequency, the DACRx supplies the tuned voltage to the
varactor diodes in the filter. Wideband operation of the filter is achieved by shifting the bandpass
filter across the band.
The output of the bandpass filter is coupled to the RF amplifier transistor Q3302 via C3306. After
being amplified by the RF amplifier, the RF signal is further filtered by a second varactor tuned
bandpass filter, consisting of L3305, L3306, C3311 to C3314 and D3302.
Demodulator
Synthesizer
Crystal
Filter
Mixer
Varactor
Tuned Filter
RF Amp
Varactor
Tuned Filter
Pin Diode
Antenna
Switch
RF Jack
Antenna
AGC
Control Voltage
from ASFIC
First LO
from FGU
Recovered Audio
Squelch
RSSI
IF
IC
SPI Bus
16.8 MHz
Reference Clock
Second
LO VCO

Table of Contents

Other manuals for Motorola GP580

Related product manuals