EasyManua.ls Logo

MSI B450M MORTAR

MSI B450M MORTAR
158 pages
To Next Page IconTo Next Page
To Next Page IconTo Next Page
To Previous Page IconTo Previous Page
To Previous Page IconTo Previous Page
Loading...
13
Vue densemble des composants
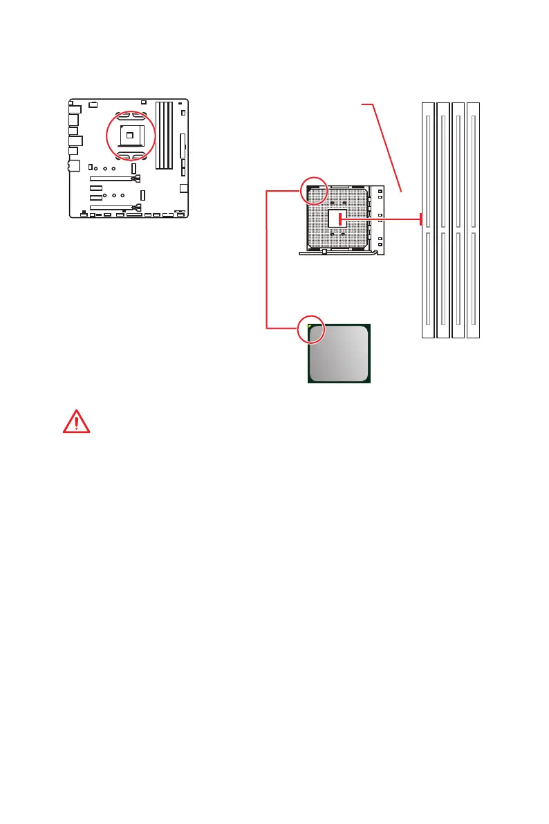
Socket processeur
Présentation du socket AM4
Sur le socket AM4, vous remarquerez
un triangle jaune servant dindicateur
pour placer le processeur dans la
bonne position sur la carte mère. Le
triangle jaune correspond à la broche
1 du processeur.
Important
y
Lorsque vous changez le processeur, il se peut que la configuration du système
soit effacée et que le BIOS soit réinitialisé à ses valeurs par défaut en raison de
larchitecture du processeur AM4.
y
Avant dinstaller ou de retirer le processeur du socket, veillez à toujours débrancher
le câble dalimentation de la prise électrique.
y
Lors de linstallation dun processeur, noubliez pas dinstaller un ventilateur pour
processeur. Un ventilateur de processeur est nécessaire pour protéger le processeur
contre la surchauffe et maintenir la stabilité du système.
y
Assurez-vous de létanchéité entre le ventilateur et le processeur avant de démarrer
votre système.
y
La surchauffe peut facilement endommager le processeur et la carte mère.
Assurez-vous toujours que le système de refroidissement fonctionne correctement
pour protéger le processeur de la surchauffe. Assurez-vous dappliquer une couche
de pâte thermique (ou adhésif thermique) entre le processeur et le système de
refroidissement afin daméliorer la dissipation de la chaleur.
y
Si vous avez achetez un processeur indépendamment du ventilateur, veuillez vous
référer à la documentation dans le paquet du ventilateur pour plus dinformations
concernant linstallation.
y
Cette carte mère supporte loverclocking. Néanmoins, veuillez vous assurer que vos
composants soient capables de tolérer loverclocking. Prenez note que lutilisation
au-delà des spécifications du constructeur nest pas recommandée. MSI
®
ne garantit
pas les dommages et risques causés par les utilisations non prévues dans les
spécifications du produit.
53.82
mm
Distance entre le centre du CPU
et le slot DIMM le plus proche.

Table of Contents

Related product manuals