EasyManua.ls Logo

mspa DELIGHT BUBBLE Spa - 3.3 Wiring Diagram

mspa DELIGHT BUBBLE Spa
37 pages
Print Icon
To Next Page IconTo Next Page
To Next Page IconTo Next Page
To Previous Page IconTo Previous Page
To Previous Page IconTo Previous Page
Loading...
2019-2020
Delight Service Manual
Visit our website at: www.the-mspa.com
- 15 -
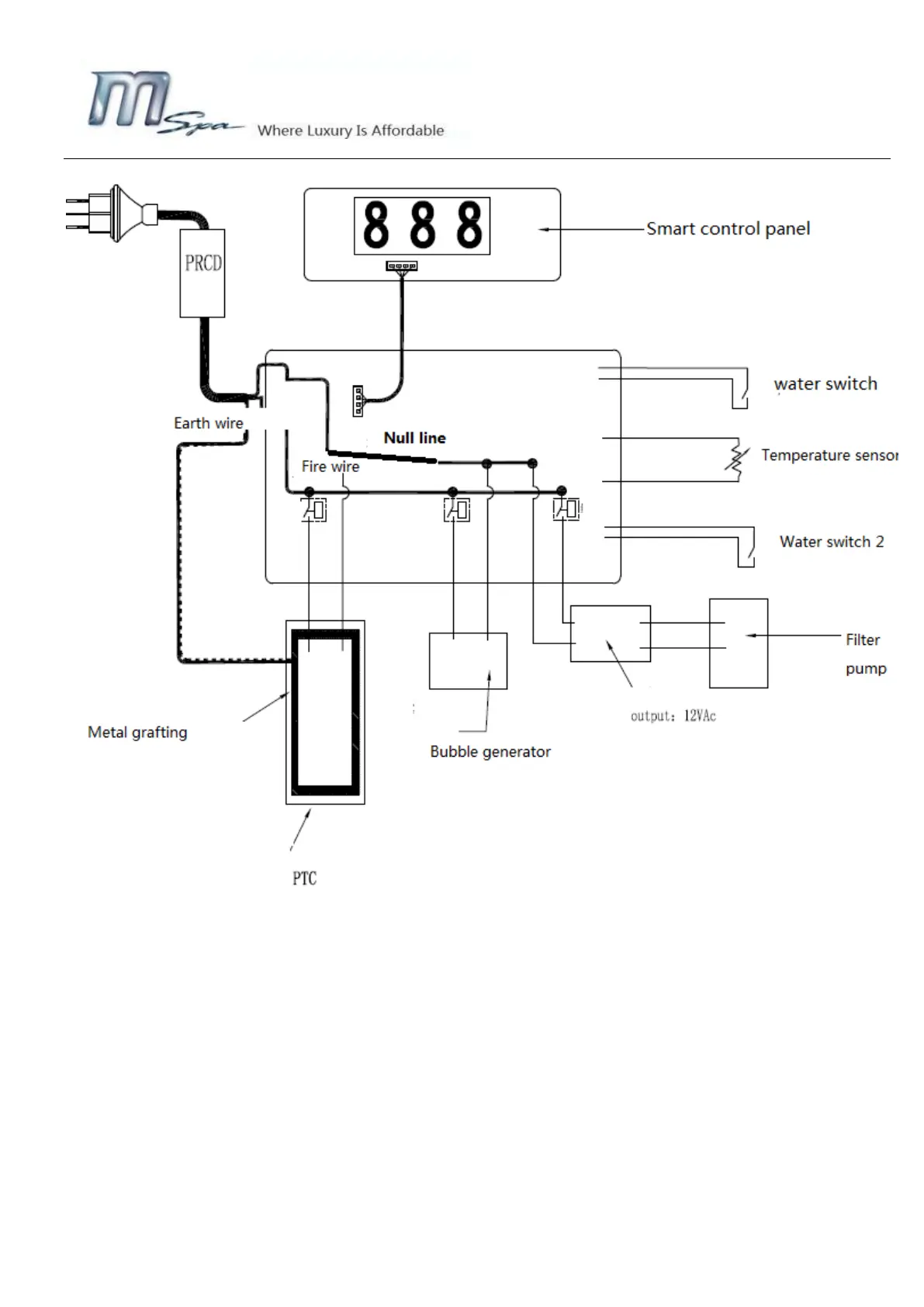
3.3 Wiring Diagram

Related product manuals