EasyManua.ls Logo

MTA NGSi 15 - Standard Water System Diagram

MTA NGSi 15
58 pages
Print Icon
To Next Page IconTo Next Page
To Next Page IconTo Next Page
To Previous Page IconTo Previous Page
To Previous Page IconTo Previous Page
Loading...
TECHNICAL MANUAL
Chapter 21 - Double setpoint kit (optional accessory)
NGSi 05÷15
55
ENGLISH
EN
The data in this manual are not binding and they can be modified by the manufacturer without notice. Reproduction of this manual is strictly prohibited
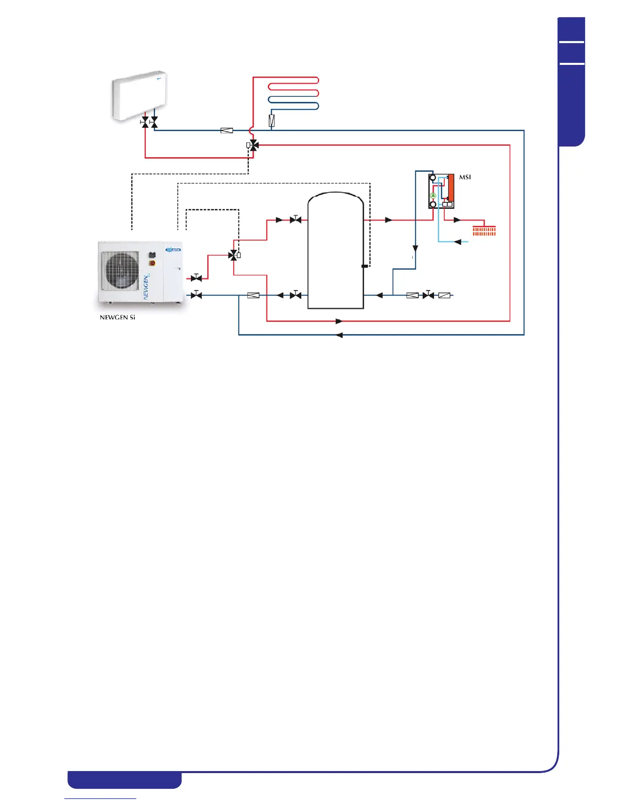
21.10 Standard water system diagram
Underfloor
heating system
Fan coil
3-way valve
Double setpoint
(VD accessory)
3-way valve for
domestic hot water
(VD accessory)
Hot water storage tank
Mains water
Water Probe
Domestic hot
water
(SAS accessory)

Table of Contents

Related product manuals