EasyManua.ls Logo

MTD 21AA413H700 - Page 20

MTD 21AA413H700
24 pages
Print Icon
To Next Page IconTo Next Page
To Next Page IconTo Next Page
To Previous Page IconTo Previous Page
To Previous Page IconTo Previous Page
Loading...
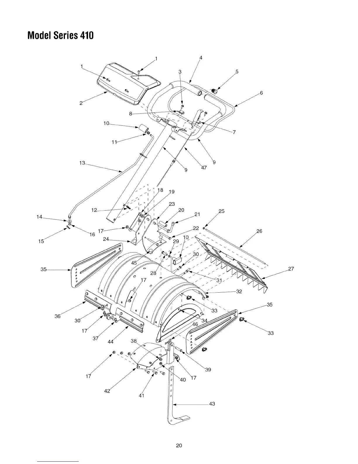
ModelSeries410
3
/
1o_
-7
23
10
25
_/ 26
17
J j
J
J
J
J
J J _1 J
J
J J
J
J
J
\
/
v
32
17 42_
43
20

Related product manuals