EasyManua.ls Logo

MTD 607 - Page 42

MTD 607
52 pages
Print Icon
To Next Page IconTo Next Page
To Next Page IconTo Next Page
To Previous Page IconTo Previous Page
To Previous Page IconTo Previous Page
Loading...
42
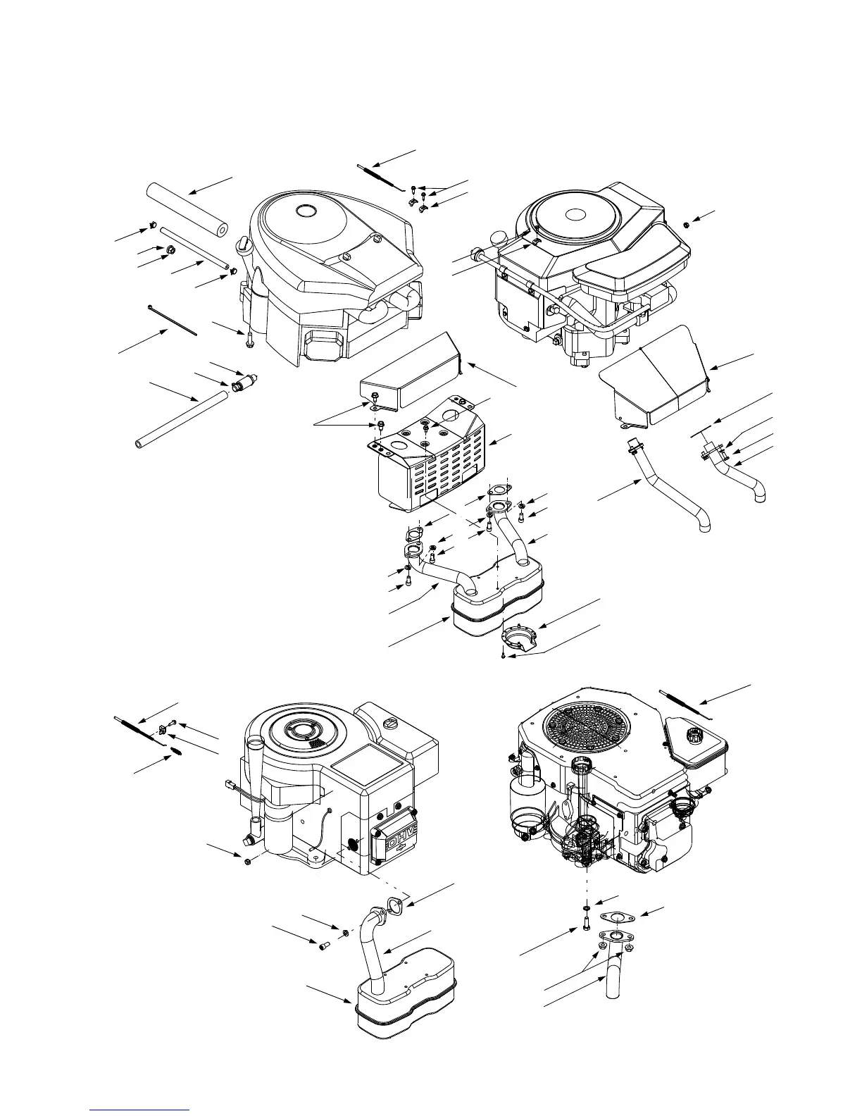
Models 607 & 608
7
11
(for choke)
13
4
12
(for throttle)
6
9
22
18
19
20
8
10
14
10
5
10
5
16
15
1
(deflector must
face forward)
17
5
34
2
2
1
25
9
3
33
28
32
31
30
29
26
27
24
23
(for starter cable)
28
10
5
35
43
36
38
37
40
41
39
42
46
4
45
B&S OHV V-Twin B&S Opposed Twin
B&S OHV Single Kohler
44

Related product manuals