EasyManua.ls Logo

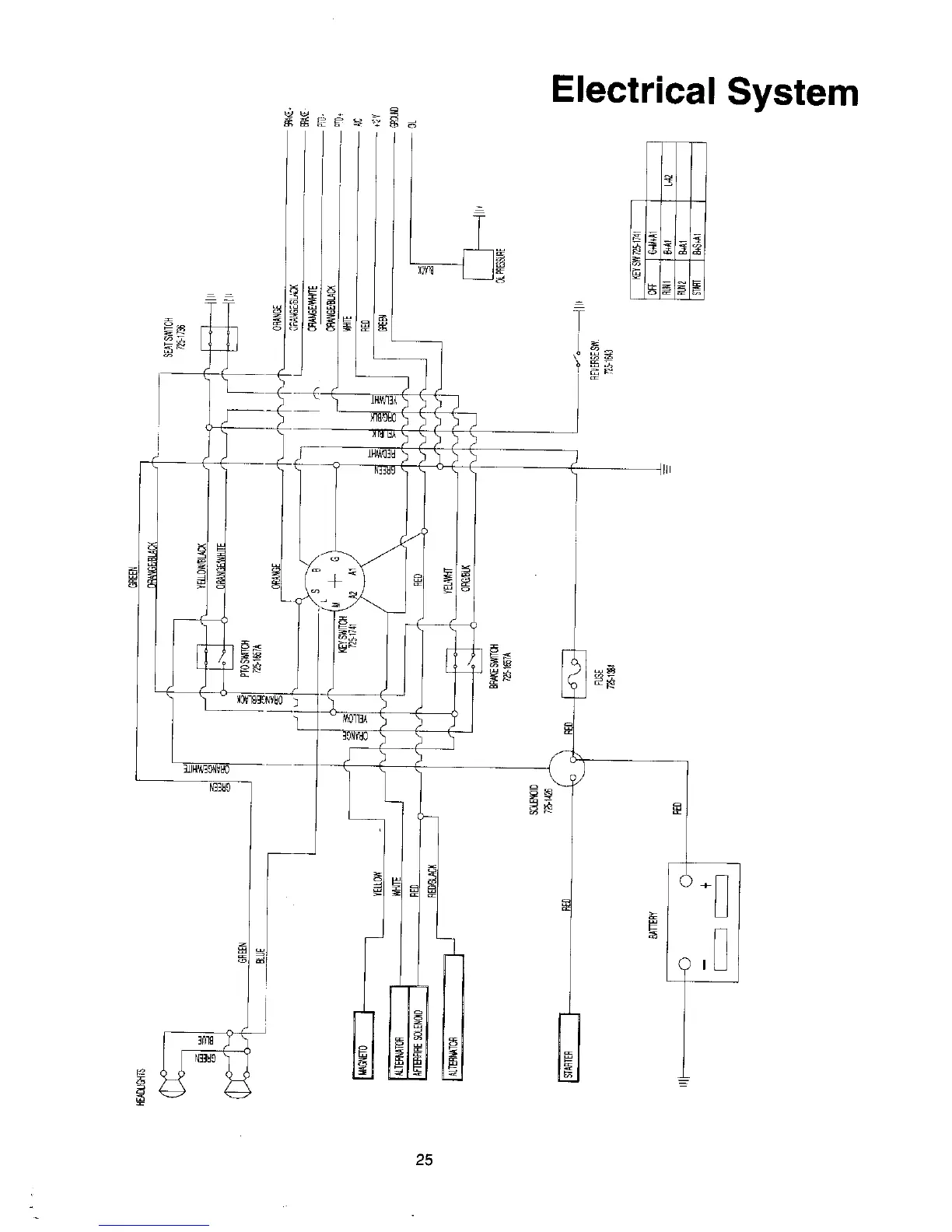
MTD 617 - Electrical System Diagram

MTD 617
42 pages
Print Icon
To Next Page IconTo Next Page
To Next Page IconTo Next Page
To Previous Page IconTo Previous Page
To Previous Page IconTo Previous Page
Loading...

Related product manuals