EasyManua.ls Logo

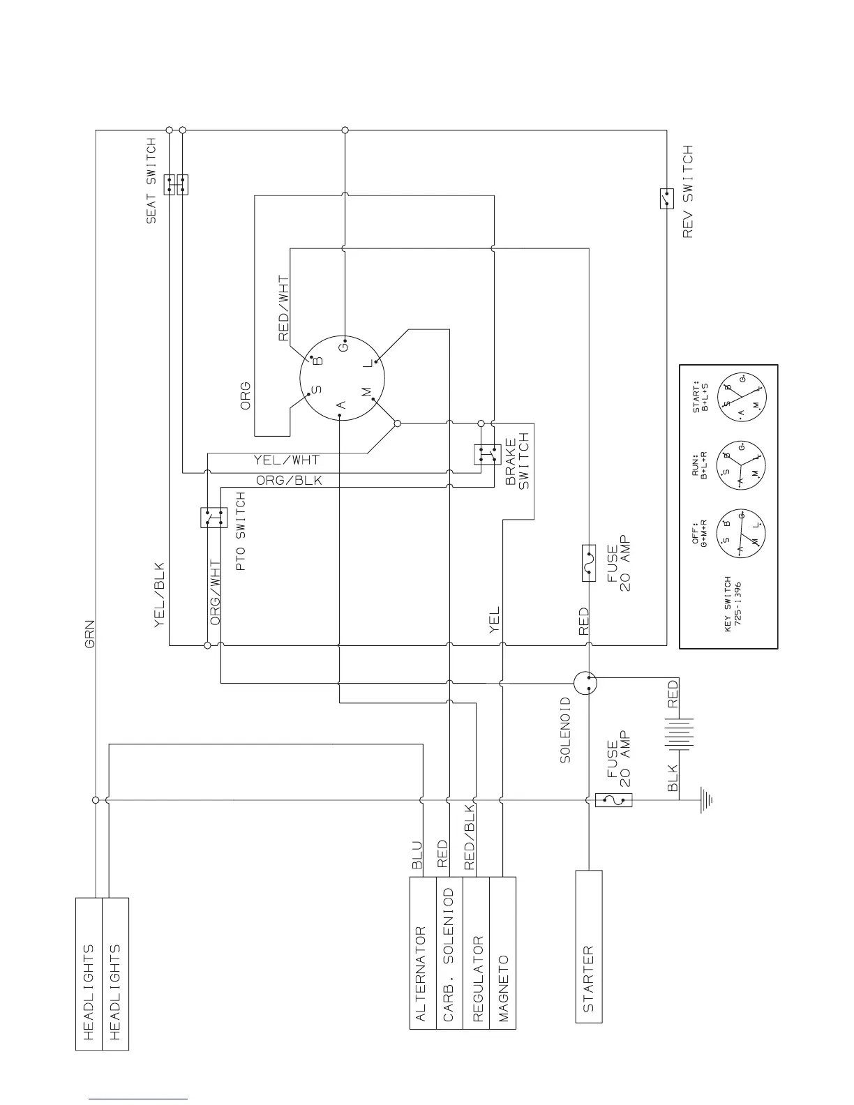
MTD 650 - Wiring Diagram

MTD 650
40 pages
Print Icon
To Next Page IconTo Next Page
To Next Page IconTo Next Page
To Previous Page IconTo Previous Page
To Previous Page IconTo Previous Page
Loading...
38
Model
s 650 & 652

Related product manuals