EasyManua.ls Logo

MTD 660 - Making Adjustments; Deck Leveling Adjustment

MTD 660
24 pages
Print Icon
To Next Page IconTo Next Page
To Next Page IconTo Next Page
To Previous Page IconTo Previous Page
To Previous Page IconTo Previous Page
Loading...
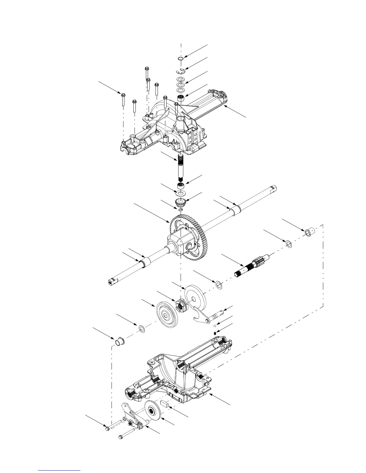
16
Model
s 660 – 688
8
3
2
1
5
6
8
4
10
9
7
12
1
1
11
12
1
3
14
3
17
15
16
18
19
20
21
22
23
24
25
28
29
27
26

Other manuals for MTD 660

Related product manuals