EasyManua.ls Logo

MTD 660 - Maintaining Your Lawn Tractor; Engine Maintenance; Changing Engine Oil

MTD 660
24 pages
Print Icon
To Next Page IconTo Next Page
To Next Page IconTo Next Page
To Previous Page IconTo Previous Page
To Previous Page IconTo Previous Page
Loading...
20
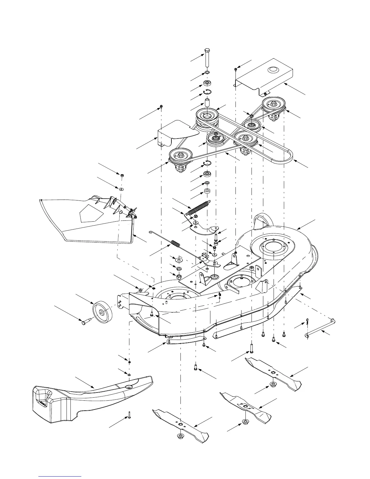
Model
s 660 – 688
41
48
47
46
13
E
Refer to
E
on Page 12
G
G
41
20
17
12
8
22
27
25
1
4
29
24
16
5
45
7
15
15
31
31
3
2
10
44
9
33
18
4
16
28
1
23
42
19
30
26
36
6
21
9
34
11
26
30
35
19
2
7
7
3
40
39
43
37
39
3
3
16
38
F
Refer to
F
on Page 12

Other manuals for MTD 660

Related product manuals