EasyManua.ls Logo

MTD YARD MACHINES 607 - Page 44

MTD YARD MACHINES 607
48 pages
Print Icon
To Next Page IconTo Next Page
To Next Page IconTo Next Page
To Previous Page IconTo Previous Page
To Previous Page IconTo Previous Page
Loading...
44
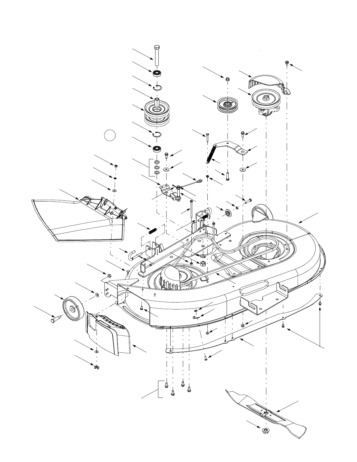
Models 607, 608 & 609
12
34
20
38
20
34
31
42
15
41
10
45
37
2
24
8
21
29
7
17
22
32
23
25
36
15
30
13
28
27
33
19
18
1
9
11
14
35
16
3
40
9
4
17
43
C
C
37
10
44
B*
39
46
19
5
49
5
0
51
32
47
48
53
* Refer to B on page 42.
Found on models equipped with an electric PTO only.
Found on models equipped with a manual PTO only.
52
17
26
6
18

Related product manuals