EasyManua.ls Logo

MTD Yard-Man 2800M - Boom and Trimmer Parts; Throttle Control System; D-Handle and Clamp Assembly; Drive Shaft and Housing

MTD Yard-Man 2800M
2 pages
Print Icon
To Previous Page IconTo Previous Page
To Previous Page IconTo Previous Page
Loading...
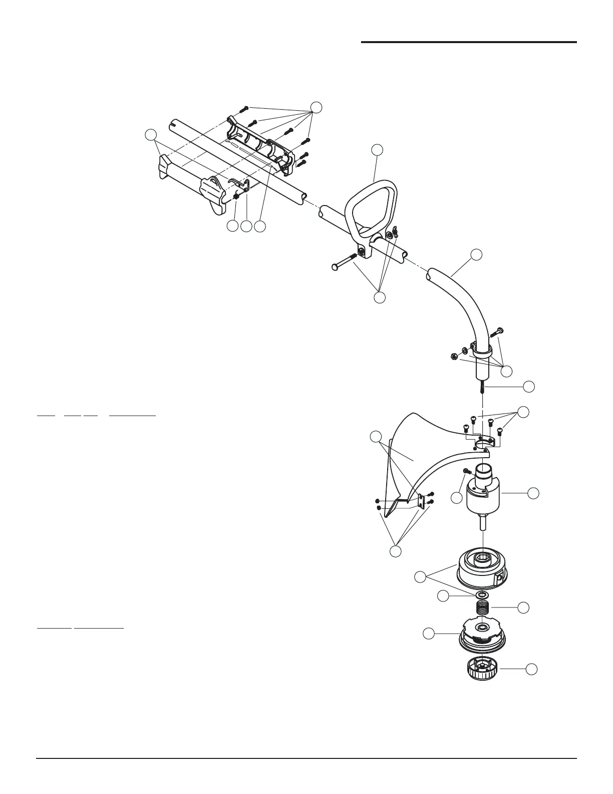
BOOM AND TRIMMER PARTS - MODEL 2800m
2-CYCLE GAS TRIMMER
PPN 41AD280G000
Item Part No. Description
1 791-182093 Throttle Housing and Trigger Assembly
(includes 2 & 3)
2 791-610314 Throttle Trigger Spring
3 791-180975 Throttle Trigger
4 791-182068 Throttle Cable Assembly
5 791-153064 D-Handle Assembly (includes 6)
6 791-153317 D-Handle Hardware
7 791-181893 Drive Shaft Housing Assembly
8 791-153597 Lower Clamp Assembly (includes 12)
9 753-04280 Flexible Drive Shaft
10 791-180531 Shield Mounting Screw
11 791-181784 Bushing Housing Assembly with Spool Shaft
12 791-145569 Anti-Rotation Screw
13 791-683274 Shield and Blade Assembly (includes 14)
14 791-180553 Blade Assembly
15 791-153619 Outer Spool and Eyelet Assembly (includes 16)
16 791-610660 Retainer
17 791-610317B Spring
18 791-610318 Inner Reel
19 791-153066B Bump Head Knob Assembly
Optional Accessories
* 791-610375 Replacement Line, 0.80 Diameter
* 791-153577B Reel and Line Assembly
* 791-180897B Bump Head Assembly (includes 15-19)
* 791-682075B Shoulder Strap Assembly
* not shown
10
8
13
9
17
16
18
19
15
11
12
14
1
1
5
6
7
4
3
2
Issued 10/98

Related product manuals