EasyManua.ls Logo

MULTIQUIP MAYCO LS300 - Wiring Diagram (Hopper Vibrator)

MULTIQUIP MAYCO LS300
140 pages
Print Icon
To Next Page IconTo Next Page
To Next Page IconTo Next Page
To Previous Page IconTo Previous Page
To Previous Page IconTo Previous Page
Loading...
PAGE 74 — MAYCO LS300 CONCRETE PUMP • OPERATION AND PARTS MANUAL — REV. #4 (06/21/10)
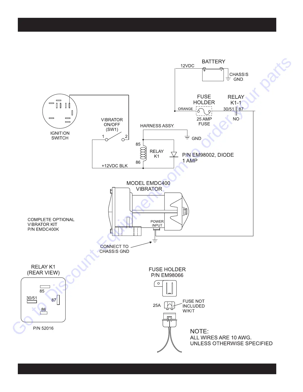
WIRING DIAGRAM (HOPPER VIBRATOR)
Figure 65. Optional Hopper Vibrator Wiring Diagram
Go to Discount-Equipment.com to order your parts

Related product manuals