EasyManua.ls Logo

MULTIQUIP QP3TH - Pump Assembly Diagrams

MULTIQUIP QP3TH
40 pages
Print Icon
To Next Page IconTo Next Page
To Next Page IconTo Next Page
To Previous Page IconTo Previous Page
To Previous Page IconTo Previous Page
Loading...
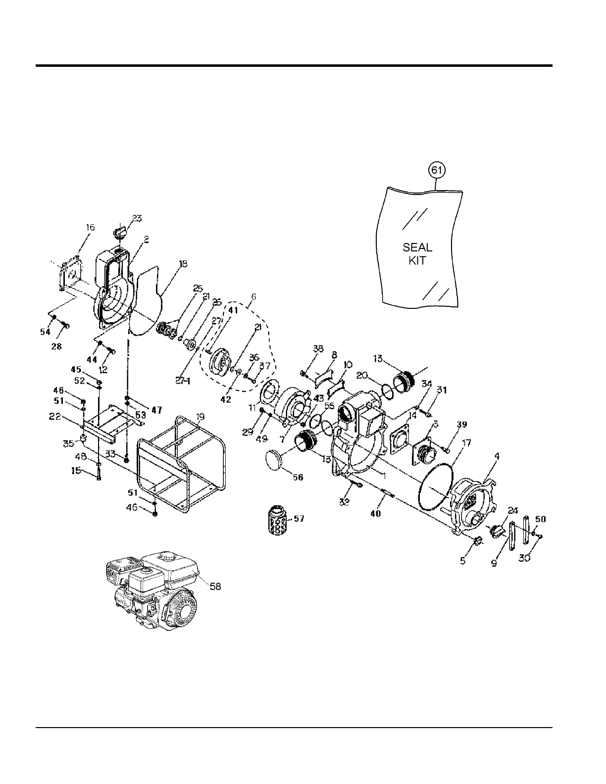
PAGE 32 — QP3TH TRASH PUMP • OPERATION AND PARTS MANUAL — REV. #9 (02/20/18)
PUMP ASSEMBLY