EasyManua.ls Logo

Murray 461000x8A - Motion Drive

Murray 461000x8A
61 pages
Print Icon
To Next Page IconTo Next Page
To Next Page IconTo Next Page
To Previous Page IconTo Previous Page
To Previous Page IconTo Previous Page
Loading...
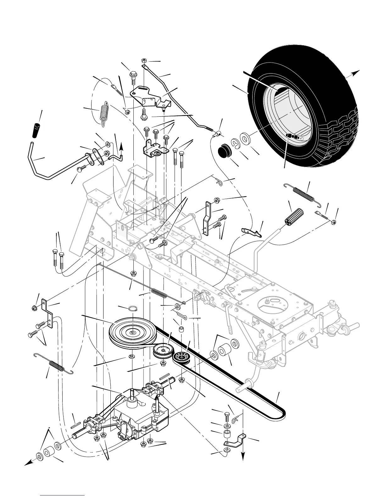
REPAIR PARTSMODEL 461000x8A
42
F–030718L
MOTION DRIVE
1
2
3
10
5
6
8
9
10
11
12
13
14
15
16
17
18
19
20
19
21
22
23
24
25
26
27
28
29
30
55
9
10
32
33
34
35
36
37
38
39
40
24
41
42
43
44
45
46
47
24
48
49
50
24
22
51
57
24
52
42
54
53
4
4
53
31
56

Table of Contents

Related product manuals