EasyManua.ls Logo

Murray 461000x8A - Rear Frame Assembly

Murray 461000x8A
61 pages
Print Icon
To Next Page IconTo Next Page
To Next Page IconTo Next Page
To Previous Page IconTo Previous Page
To Previous Page IconTo Previous Page
Loading...
REPAIR PARTSMODEL 461000x8A
57
F–030718L
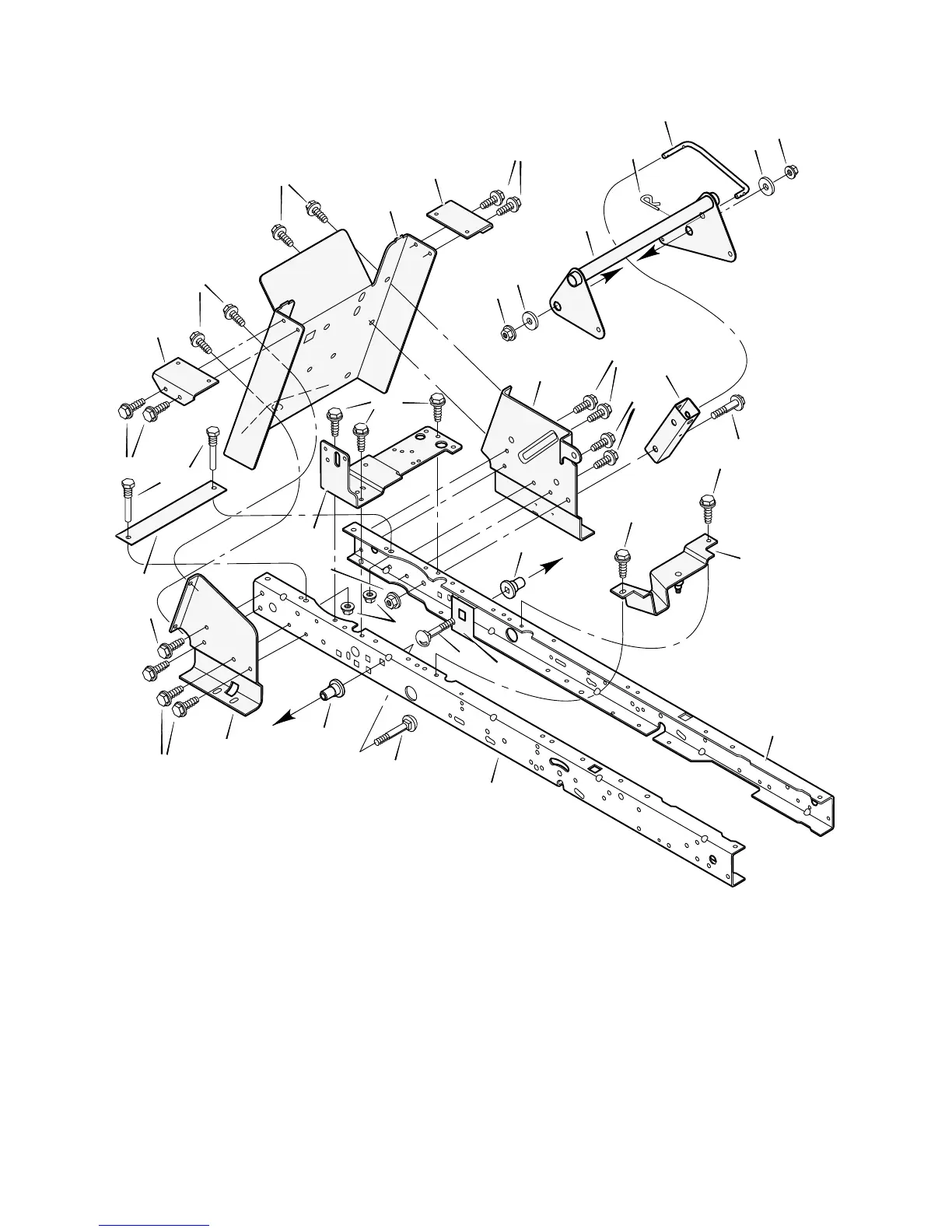
REAR FRAME ASSEMBLY
1
2
3
3
3
2
3
3
4
5
6
7
8
4
5
9
3
3
10
11
3
3
13
14
15
4
16
17
18
3
3
19
13
14
20
21
22
23
Key
No. Description Part No.
Key
No. Description Part No.
1 Frame, Rear Hitch 690094E701
2 Bracket, Seat Deck 690077E700
3 Screw 26x249
4 Nut, Flange 015x84
5 Washer 17x168
6 Link, Lift Handle 690122E700
7 Pin, Hair 0031x4
8 Assembly, Lifter 1001111E701
9 Bracket, Left Transaxle 690065E700
10 Bracket, Lift Pivot 094015E700
11 Bolt, Shoulder 009x53
13 Spacer, Lifter 690151
14 Bolt, Carriage 002x85
15 Nut, Flange 015x79
16 Bracket, Right Shift 1001302E701
17 Screw, Guide 094384
18 Support, Battery 690482E701
19 Bracket, Right Transaxle 690064E700
20 Frame, Right 1001268E701
21 Frame, Left 1001269E701
22 Bracket, Idler 690365 Z
23 Plate, Stiffening 1001098E701

Table of Contents

Related product manuals