EasyManua.ls Logo

Murray 461603x48A - Page 38

Murray 461603x48A
57 pages
Print Icon
To Next Page IconTo Next Page
To Next Page IconTo Next Page
To Previous Page IconTo Previous Page
To Previous Page IconTo Previous Page
Loading...
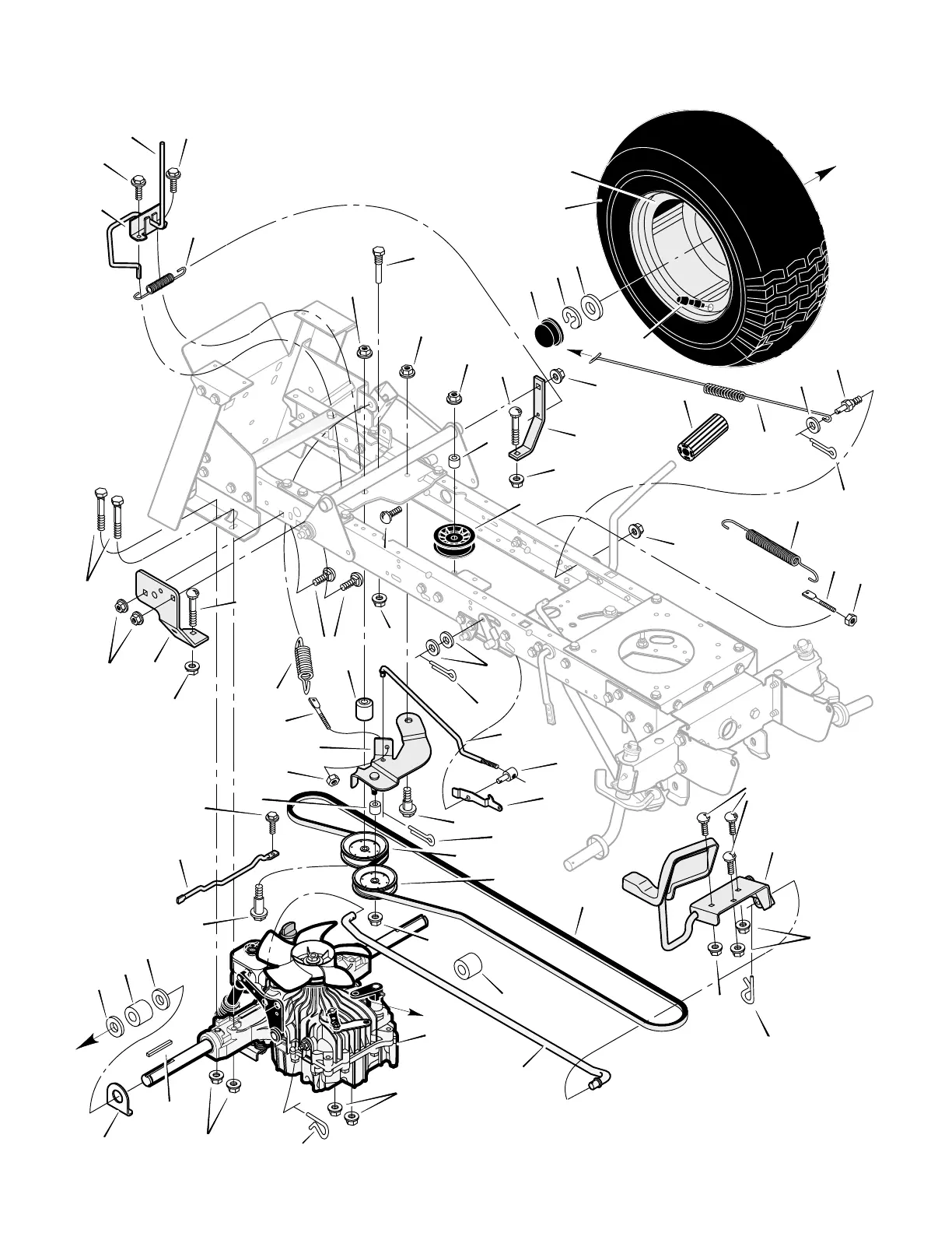
REPAIR PARTSMODEL 461603x48A
38
F–030767L
MOTION DRIVE
1
2
2
3
4
5
6
7
52
8
9
10
35
7
7
12
13
14
15
16
17
18
19
20
21
22
30
23
24
11
11
35
26
30
25
28
29
30
31
27
37
38
36
7
34
35
8
33
23
24
32
2
51
40
41
39
35
42
35
43
48
44
35
42
35
46
45
47
48
47
50
52
49
49

Table of Contents

Related product manuals