EasyManua.ls Logo

Murray 461603x48A - Page 43

Murray 461603x48A
57 pages
Print Icon
To Next Page IconTo Next Page
To Next Page IconTo Next Page
To Previous Page IconTo Previous Page
To Previous Page IconTo Previous Page
Loading...
REPAIR PARTSMODEL 461603x48A
43
F–030767L
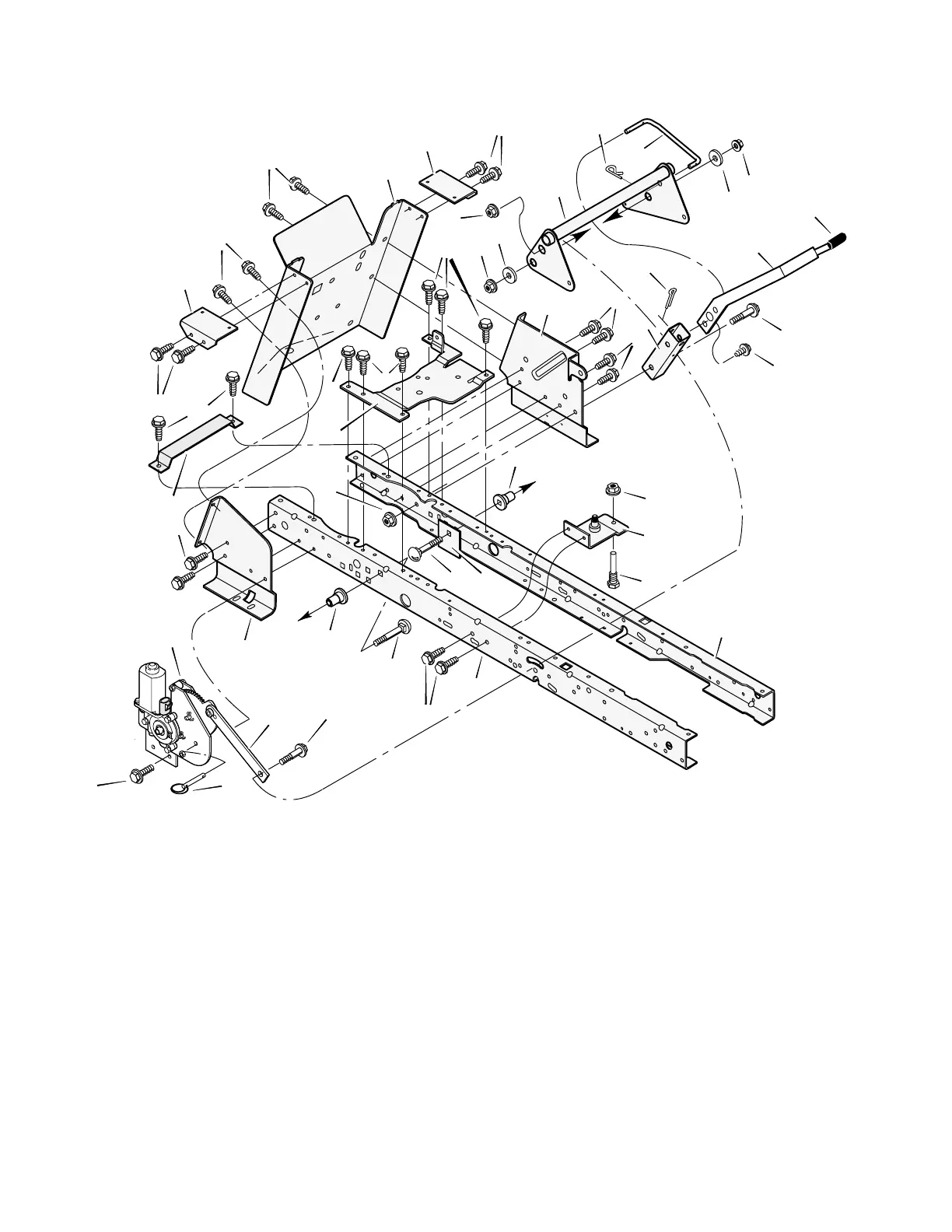
REAR FRAME ASSEMBLY
1
2
3
3
3
2
3
3
4
5
6
7
8
4
5
9
3
3
10
11
3
3
13
14
4
16
3
18
3
3
19
13
14
20
21
22
23
3
3
12
15
3
34
32
26
27
28
29
30
31
28a
Key
No. Part No. Description
Key
No. Part No. Description
1 690094E701 Frame, Rear Hitch
2 690077E700 Bracket, Seat Deck
3 26x249 Screw
4 015x84 Nut, Flange
5 17x168 Washer
6 690550E701 Link, Lift Handle
7 0031x4 Pin, Hair
8 1001692E701 Assembly, Lifter
9 1001691E701 Bracket, Left Transaxle
10 1001693E701 Bracket, Lift Pivot
11 009x53 Bolt, Shoulder
12 015x79 Nut
13 690151 Spacer, Lifter
14 002x85 Bolt, Carriage
15 094384 Guide, Belt
16 690233E701 Bracket, Stationary Idler
18 690482E701 Plate
19 690064E700 Bracket, Right Transaxle
20 1001268E701 Frame, Right
21 1001269E701 Frame, Left
22 690417e701 Bracket, Idler
23 1001098E701 Plate, Stiffening
26 009x50 Bolt, Shoulder
27 015x88 Nut, Flange
28 1001673 Z Indicator, Electric Lift
28a 1401337 Grip, Electric Lift
29 030x20 Pin, Cotter
30 025x15 Screw
31 1001701 Pin, Stop
32 1001682E700 Link, Bar
34 1001675 Ass’y, Gear Case & Motor
(Inc’d Key No 32,)

Table of Contents

Related product manuals