EasyManua.ls Logo

mycom i160M - Page 38

Default Icon
121 pages
Print Icon
To Next Page IconTo Next Page
To Next Page IconTo Next Page
To Previous Page IconTo Previous Page
To Previous Page IconTo Previous Page
Loading...
2203M4-JE-MY-iS2-N_2017.04.
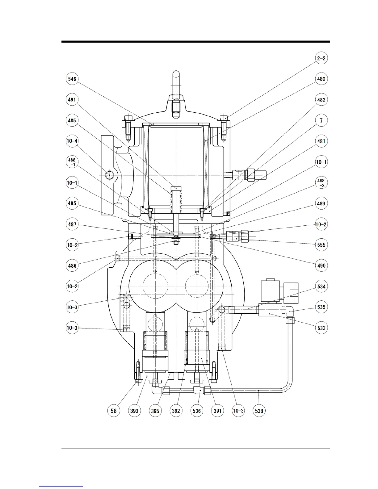
Chapter 2 Compressor Specifications and Configuration
Screw Compressor i-series 2.4
Configuration of Compressor
2-20
Figure 2-16
i125* Longitudinal Sectional View of Suction/Capacity Control Section

Related product manuals