EasyManua.ls Logo

NAD 613 - SCHEMATIC DIAGRAM 2;2

NAD 613
16 pages
Print Icon
To Next Page IconTo Next Page
To Next Page IconTo Next Page
To Previous Page IconTo Previous Page
To Previous Page IconTo Previous Page
Loading...
A
SCHEMATIC
DIAGRAM
2/2
METER
Poh
METER
Loh
POWER
OFF
S.RESET
+82
FL
a
Ss
i
ee
eS
een
ee
So
L$999
b
MICRO
CMPUTER
HD404336A33S
R921
120
R716
2SD6s5
C706
223
D703
Q702
TA7291S
ROTATION
SENSER
Q706
28C1740S
R719
18K
707
223
I
MECHA
DRIVE
—~25—
si
ll
JL702A
So
eee
st}
—-—-
REEL
(FF)
+82
so.
Q701
BIAS.
CONT
cap
SOL
FF
REW
O-PLAY
OL
ORVOFF
oo
Bvt
TEST
S-RESET
GND
AYss
METAL
SW
R703
R704
EF
3K
C701
10/35
|
DECK
MECHANISM
-_——
-
———
-
-
-.
+
—.
-
—-
-
——
-
a
NAAF-5
336-3!
=
—+—
'
H
|
|
'
H
|
'
RI
OUT
Pi
(CST
aaa
MRE
FL
TUBE
Q751
BJ337GK
||
JLBOTA
Po
$
aoe,
aca
Lege
a
eS
JL
801B
ries
801
4.19MHz
Ps8o1
@Q801
HD404222C81S
[
NAETC-5509—-1
OPERATION
R771
-RI72_——
RITE
RTA
R762
680
820
1.5K
2.2K
4.7K
ape,
al
rod
dla
al
$771
$772
S774
$775
S773
tr
REW
REC
REPEAT
RESET
R776 R777
R778
R779
R780
KI
660
820
1.5K
2.2K
4.9K
a
sToP
PLAY
PAUSE
DOU
MPX
NOT
@
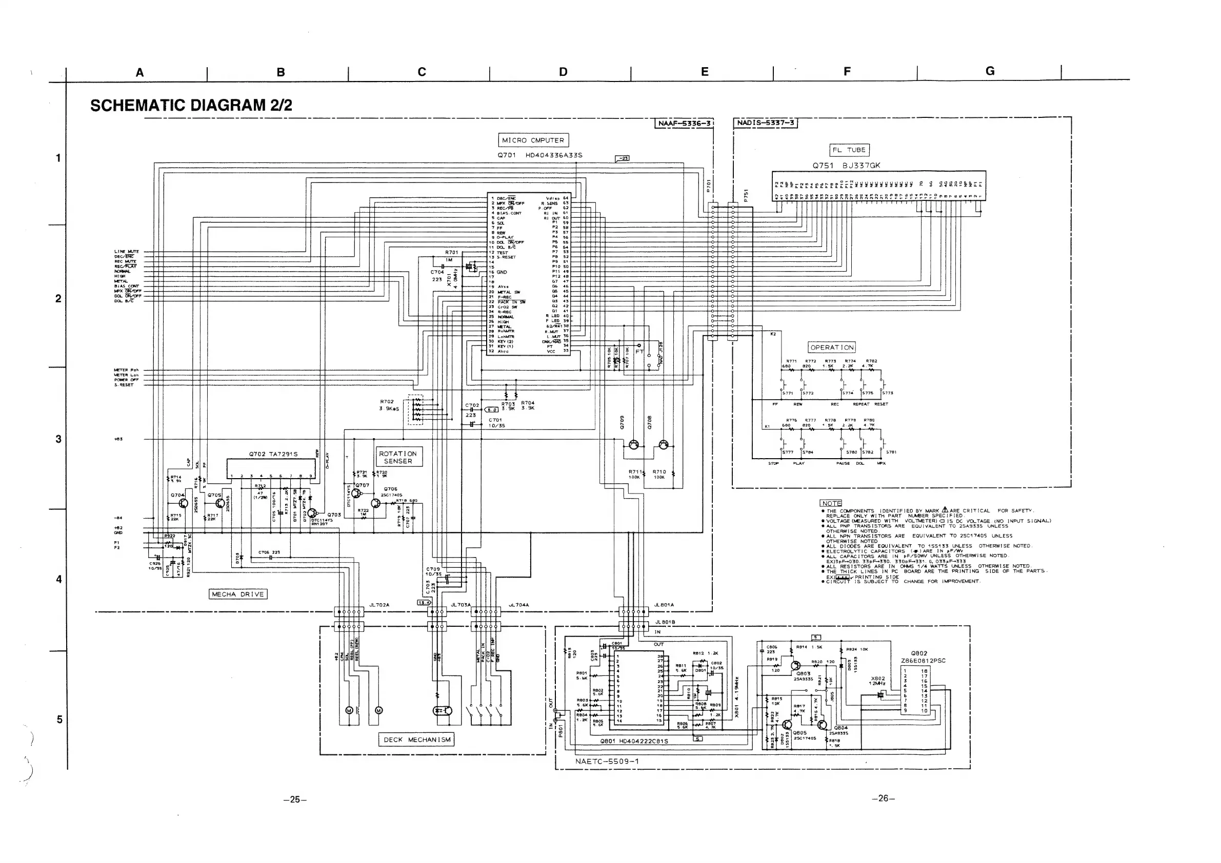
THE
COMPONENTS
IDENTIFIED
BY
MARK
AV
ARE
CRITICAL
REPLACE
ONLY WITH
PART
NUMBER
SPECIFIED
®@
VOLTAGE
(MEASURED
WITH
VOLTMETER)
G1S
DC
VOLTAGE.
(NO
INPUT
SIGNAL)
®
ALL PNP
TRANSISTORS
ARE
EQUIVALENT
TO
2SA933S
UNLESS
OTHERWISE
NOTED.
@
ALL
NPN
TRANSISTORS
ARE
EQUIVALENT
TO
25C1740S
UNLESS
OTHERWISE
NOTED
@
ALL
DIODES
ARE
EQUIVALENT
TO
1SS133
UNLESS
OTHERWISE
NOTED.
@
ELECTROLYTIC
CAPACITORS
(4)
ARE
IN
pF/AW
®@
ALL
CAPACITORS
ARE
IN
pF/50WV
UNLESS
OTHERWISE
NOTED.
EX)3pF+030,
33pF+330.
330pF+331.
0,
O33nF+333
®@
ALL
RESISTORS
ARE
IN
OHMS
1/4
WATTS
UNLESS
OTHERWISE
NOTED.
@
THE
THICK
LINES
IN
PC
BOARD
ARE
THE
PRINTING
SIDE
OF
THE
PARTS
EX)
Eoetetl
e
PRINTING
SIDE
@
CIRCUIT
1S
SUBJECT
TO
CHANGE
FOR
iMPROVEMENT.
FOR
SAFETY.
Re14
1.5K
Q802
Z86E081
2PSC
4
18
x02
gi
1
2MHz
i?
Sade
5
14
je
3
ey
ee
ee
be
0
Q60s
28017408
2SA933S
R816
1.
SK
es
a
space
a
a
casa
Re
han
i
Oy
AS
i
a
me
eee
—26—

Other manuals for NAD 613

Related product manuals