EasyManua.ls Logo

NAD VISO TWO - Page 33

NAD VISO TWO
103 pages
Print Icon
To Next Page IconTo Next Page
To Next Page IconTo Next Page
To Previous Page IconTo Previous Page
To Previous Page IconTo Previous Page
Loading...
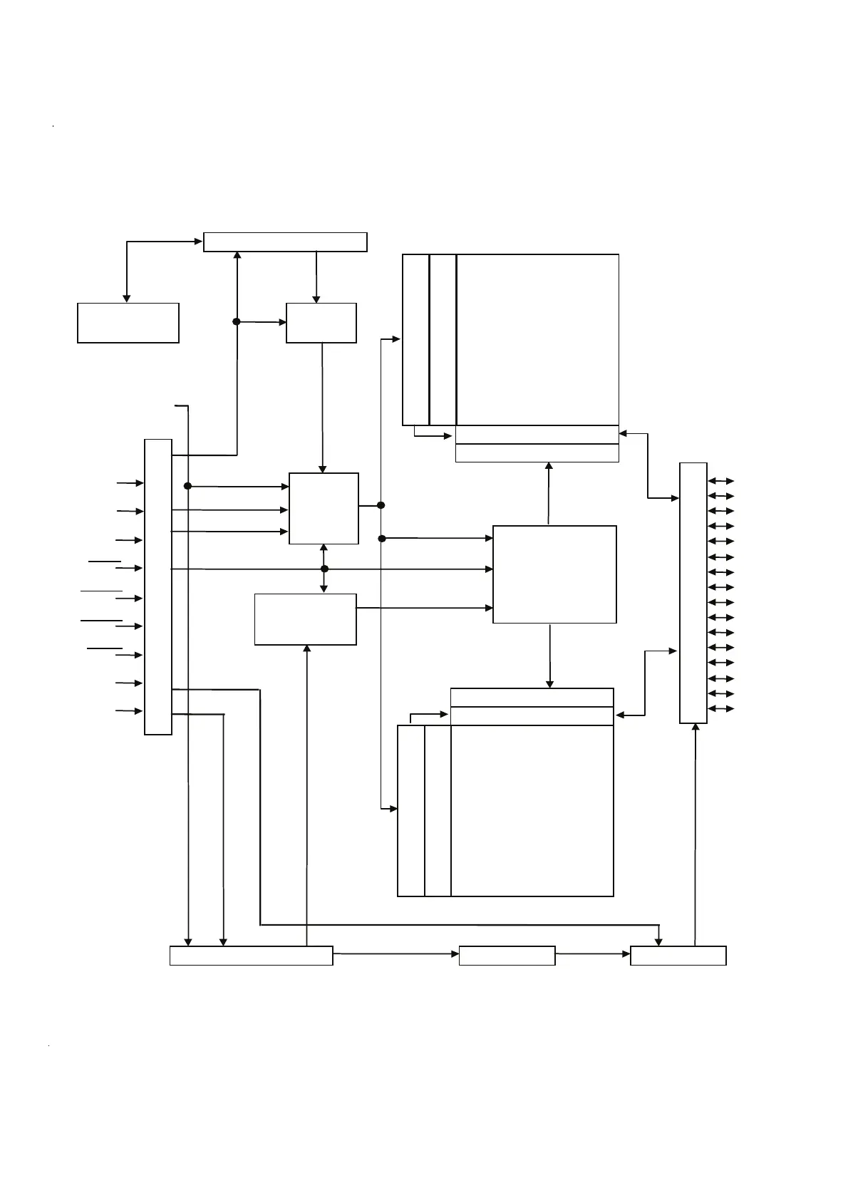
FUNCTIONAL BLOCK DIAGRAM
1Mx16 Synchronous DRAM
Column Addr.
Latch & Counter
Burst Length
Counter
Refresh
Interval Timer
Refresh
Counter
DQ0
DQ1
DQ2
DQ3
DQ4
DQ5
DQ6
DQ7
DQ8
DQ9
DQ10
DQ11
DQ12
DQ13
DQ14
DQ15
Address
Register
I/O ControlTest ModeMode Register
Self Refresh Counter
Column Decoder
Sense AMP & I/O gates
512Kx16
Bank 0
Column Decoder
Sense AMP & I/O gates
512Kx16
Bank 1
RAS
CAS
CS
WE
UDQM
LDQM
CKE
Precharge
Overflow
Column Active
Row Active
Address[0:10]
CLK
BA(A11)
State Machine
Row Decoder
Row Addr. Latch/Predecoder
Auto/Self Refresh
Ref. Addr.[0:11]
Data Input/Output Buffers
Row Addr. Latch/Predecoder
2-22

Other manuals for NAD VISO TWO

Related product manuals