EasyManua.ls Logo

NAD VISO TWO - Page 35

NAD VISO TWO
103 pages
Print Icon
To Next Page IconTo Next Page
To Next Page IconTo Next Page
To Previous Page IconTo Previous Page
To Previous Page IconTo Previous Page
Loading...
SLQ#DVVLJQPHQW
2-24
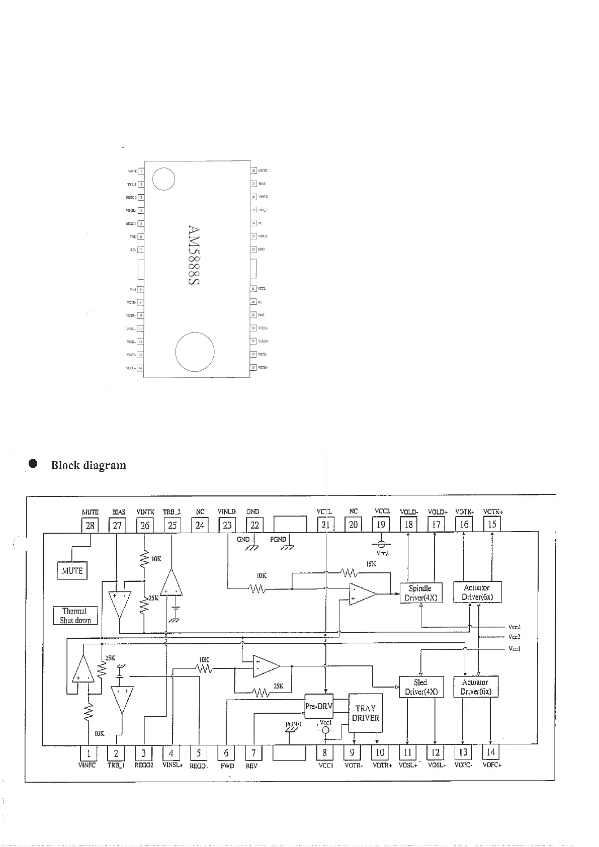
Motor Driver IC (AM5888) : IC16

Other manuals for NAD VISO TWO

Related product manuals