EasyManua.ls Logo

National Instruments NI 6225 - Page 337

National Instruments NI 6225
411 pages
To Next Page IconTo Next Page
To Next Page IconTo Next Page
To Previous Page IconTo Previous Page
To Previous Page IconTo Previous Page
Loading...
Appendix B Timing Diagrams
M Series User Manual B-14 ni.com
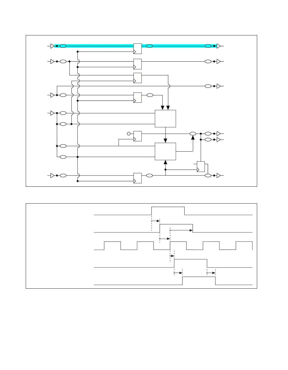
Figure B-13. Reference Trigger and the Analog Input Timing Engine
Figure B-14. Reference Trigger Timing Diagram
Start
Terminal
Selected Reference Trigger Reference Trigger
Te r m in al
Terminal
Selected Sample Clock
Te r m in al
Terminal
Te r m in al
Selected Start
RTSI
Te r m in al
Terminal
Terminal
Selected Pause Trigger
SI
Counter
Block
SI2
Counter
Block
SI_TC
Sample Clock Timebase
Sync Sample Clock Timebase
Convert Clock Timebase
Sync Convert Clock Timebase
Pause Trigger
p_AI_Convert
Start
1
SI2_TC
SI Start
POUT
_i
POUT
Selected Reference Trigger
Sync Convert Clock Timebase
Reference Trigger
t
22
t
26
t
26
t
25
t
24
t
23

Table of Contents

Related product manuals