EasyManua.ls Logo

NEC MultiSync 4FGe - Page 184

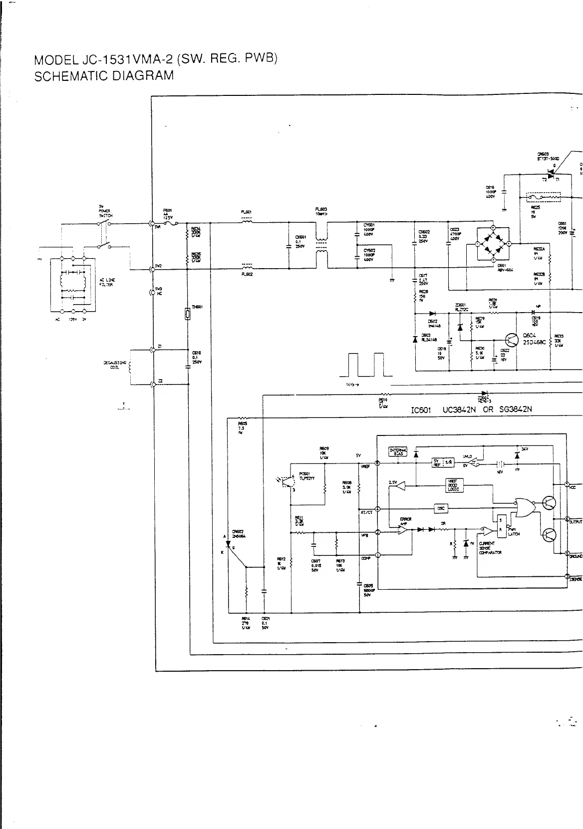
NEC MultiSync 4FGe
192 pages
Print Icon
To Next Page IconTo Next Page
To Next Page IconTo Next Page
To Previous Page IconTo Previous Page
To Previous Page IconTo Previous Page
Loading...

Related product manuals