EasyManua.ls Logo

NEC NP40 - ➋ Making Connections; Connecting Your PC or Macintosh Computer

NEC NP40
74 pages
Print Icon
To Next Page IconTo Next Page
To Next Page IconTo Next Page
To Previous Page IconTo Previous Page
To Previous Page IconTo Previous Page
Loading...
12
S-VIDEO INVIDEO IN
COMPUTER IN
PC CONTROL
AC IN
COMPUTER IN
2. Installation and Connections
Making Connections
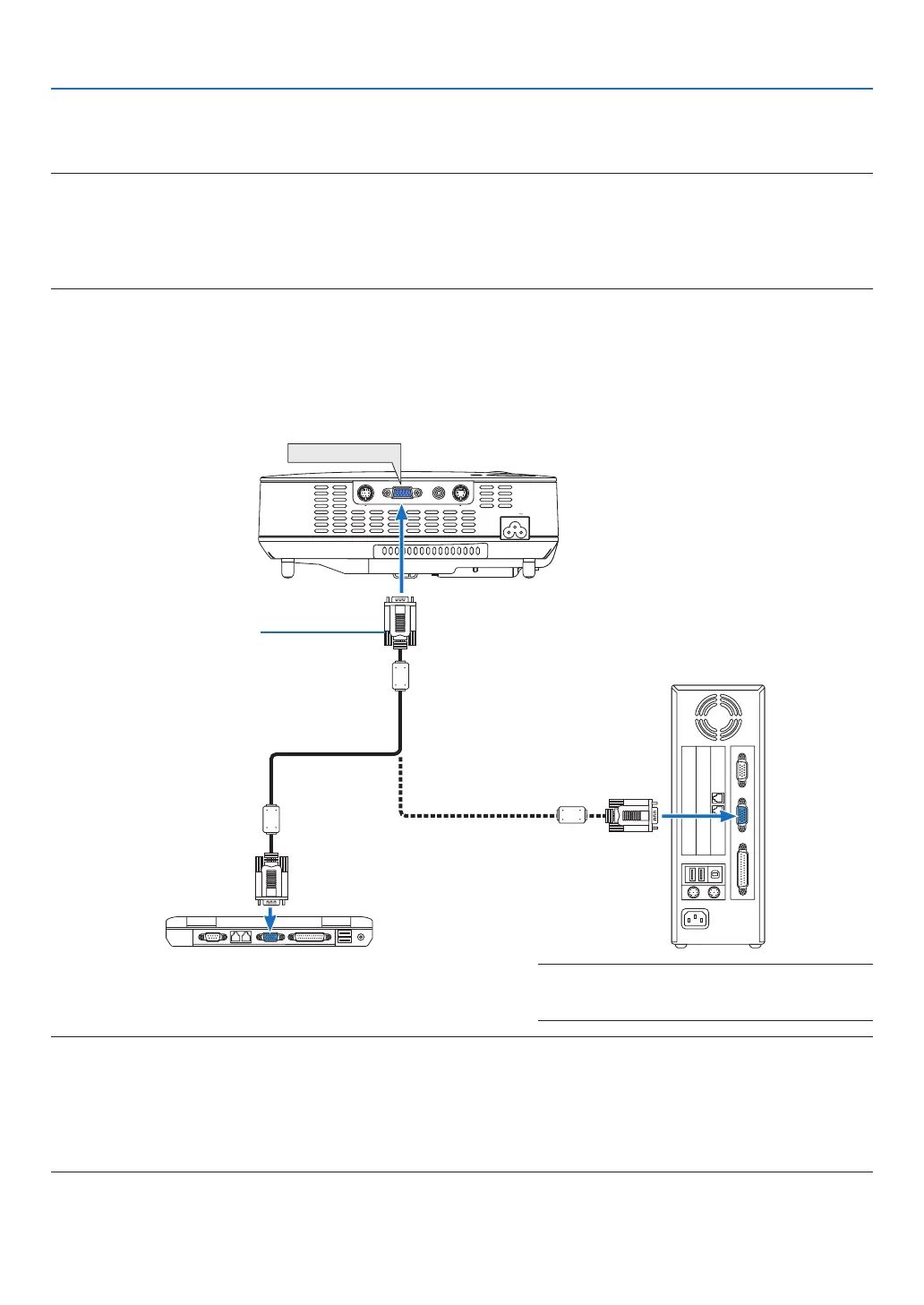
Connecting Your PC or Macintosh Computer
NOTE: When using with a notebook PC, be sure to connect the projector and notebook PC while the projector is in standby
mode and before turning on the power to the notebook PC.
In most cases the output signal from the notebook PC is not turned on unless connected to the projector before being powered
up.
* If the screen goes blank while using your remote control, it may be the result of the computer's screen-saver or power man-
agement software.
Enabling the computers external display
Displaying an image on the notebook PC’s screen does not necessarily mean it outputs a signal to the projector.
When using a PC compatible laptop, a combination of function keys will enable/disable the external display.
Usually, the combination of the ‘Fn” key along with one of the 12 function keys gets the external display to come
on or off. For example, NEC laptops use Fn + F3, while Dell laptops use Fn + F8 key combinations to toggle
through external display selections.
VGA signal cable (supplied)
To mini D-Sub 15-pin connector on the projector.
It is recommended that you use a commercially
available distribution amplifier if connecting a
signal cable longer than the cable supplied.
IBM VGA or Compatibles (Notebook
type) or Macintosh (Notebook type)
NOTE: An image may not be displayed correctly when a Video or S-Video source is played back via a commercially available
scan converter.
This is because the projector will process a video signal as a computer signal at the default setting. In that case, do the follow-
ing.
When an image is displayed with the lower and upper black portion of the screen or a dark image is not displayed correctly:
Project an image to fi ll the screen and then press the AUTO ADJ button on the remote control or the projector cabinet.
The COMPUTER IN connector supports Plug & Play (DDC2B).
NOTE: For older Macintosh, use a commercially
available pin adapter (not supplied) to connect to
your Mac's video port.

Table of Contents

Other manuals for NEC NP40

Related product manuals