EasyManua.ls Logo

New Focus 1801 - Page 10

New Focus 1801
16 pages
Print Icon
To Next Page IconTo Next Page
To Next Page IconTo Next Page
To Previous Page IconTo Previous Page
To Previous Page IconTo Previous Page
Loading...
125-MHz Photoreceivers Operation • 9
NEP Characteristics
For Model 1801, the NEP from 0–10 MHz is 3.3 pW
/
and from 10–200 MHz the NEP is 30 pW
/
.
Therefore the integrated noise from 0–130 MHz is
328 nW
rms
and with a conversion gain of 2.4x10
4
V/W,
the expected output noise voltage is 7.8 mV
rms
.
For Model 1811, the NEP from 0–10 MHz is 2.5 pW
/
and from 10–200 MHz the NEP it is 22.5 pW
/
. Therefore the integrated noise from 0–130 MHz
is 246 nW
rms
and with a conversion gain of 2.4x10
4
V/
W, the expected output noise voltage is 5.9 mV
rms
.
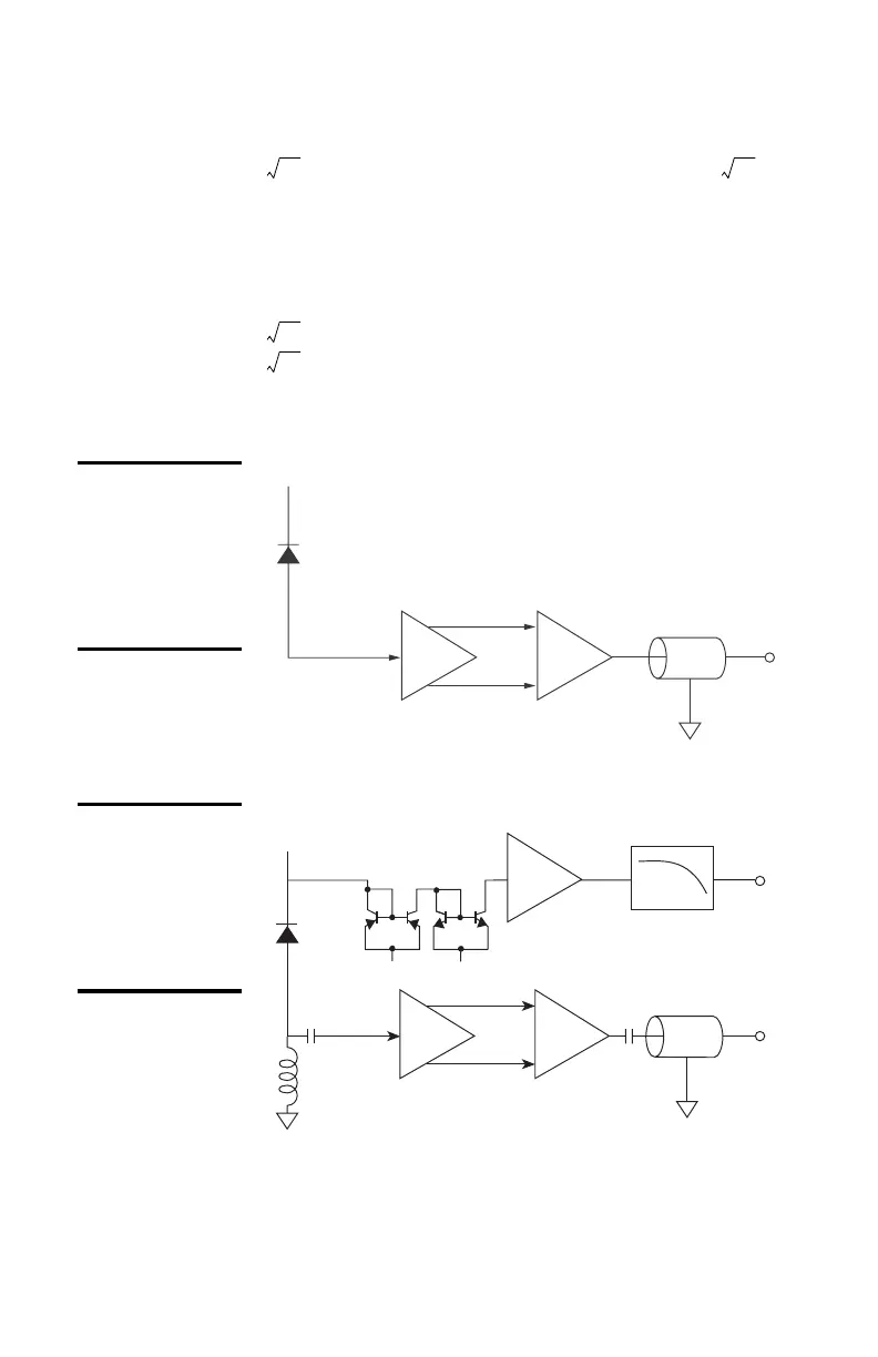
Figure 1:
Functional
block diagram
of Models 1801
& 1811
(DC Versions).
Figure 2:
Functional
block diagram
of Models 1801
& 1811
(AC Versions).
Hz Hz
Hz
Hz
Optical Input
Transimpedance
Amplifier
Compensating
Difference
Amplifier
Output
V
b
G(f)I-V
Compensating
Difference
Amplifier
G(f)
AC-Coupled
Output
I-V
Optical Input
V
-
V
+
I-V
Transimpedance
Amplifier
(low-speed)
Transimpedance
Amplifier
Low-Pass Filter
50 kHz
DC Bias
Monitor
Output
V
b
18X1 HS rcvr rev G.fm Page 9 Thursday, September 20, 2001 2:08 PM
Artisan Scientific - Quality Instrumentation ... Guaranteed | (888) 88-SOURCE | www.artisan-scientific.com