EasyManua.ls Logo

Newlong DKN-3BP - Thread Tension & Thread Guide Parts View and List

Newlong DKN-3BP
37 pages
Print Icon
To Next Page IconTo Next Page
To Next Page IconTo Next Page
To Previous Page IconTo Previous Page
To Previous Page IconTo Previous Page
Loading...
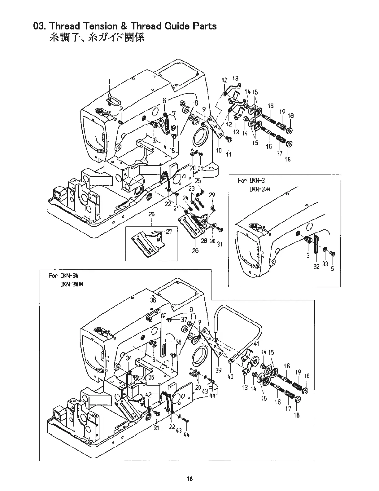
03.
Thread
Tension
&
Thread
Guide
Parts
*iR3~,
*jj.{1"~1*
For
[)<N-3W
ll<N-3W.lfl
18
F<r
OKN-3
OKN-3.lfl
From the Library of Superior Sewing Machine & Supply LLC

Related product manuals