EasyManua.ls Logo

Nice RDF Series - Page 20

Nice RDF Series
56 pages
To Next Page IconTo Next Page
To Next Page IconTo Next Page
To Previous Page IconTo Previous Page
To Previous Page IconTo Previous Page
Loading...
20 – English
EN
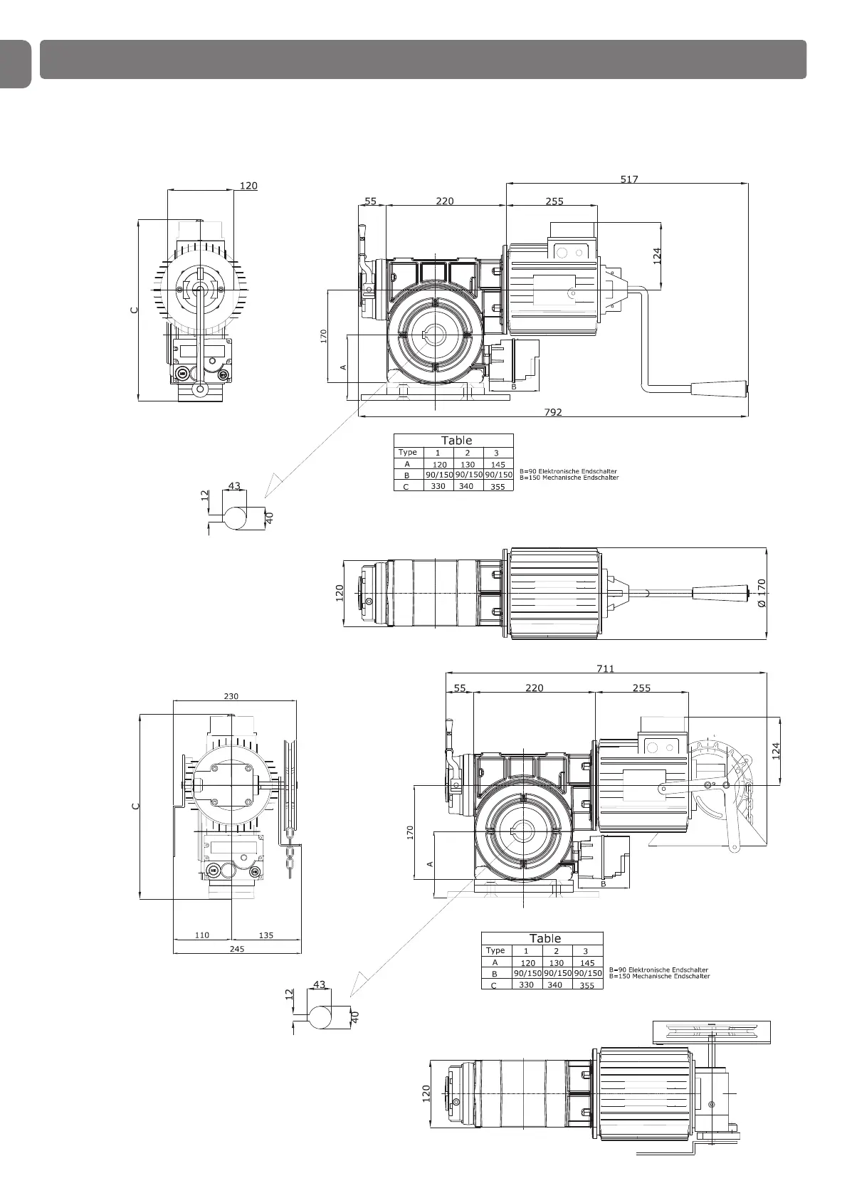
DIMENSIONED GEARMOTOR DRAWINGS FOR ROLLING SHUTTERS
RDF-250-24-KU
RDF-250-24-KE2
Gearmotors with handle and chain
Ø 12mm

Related product manuals