EasyManua.ls Logo

Nice RDF Series - Page 21

Nice RDF Series
56 pages
To Next Page IconTo Next Page
To Next Page IconTo Next Page
To Previous Page IconTo Previous Page
To Previous Page IconTo Previous Page
Loading...
EN
English – 21
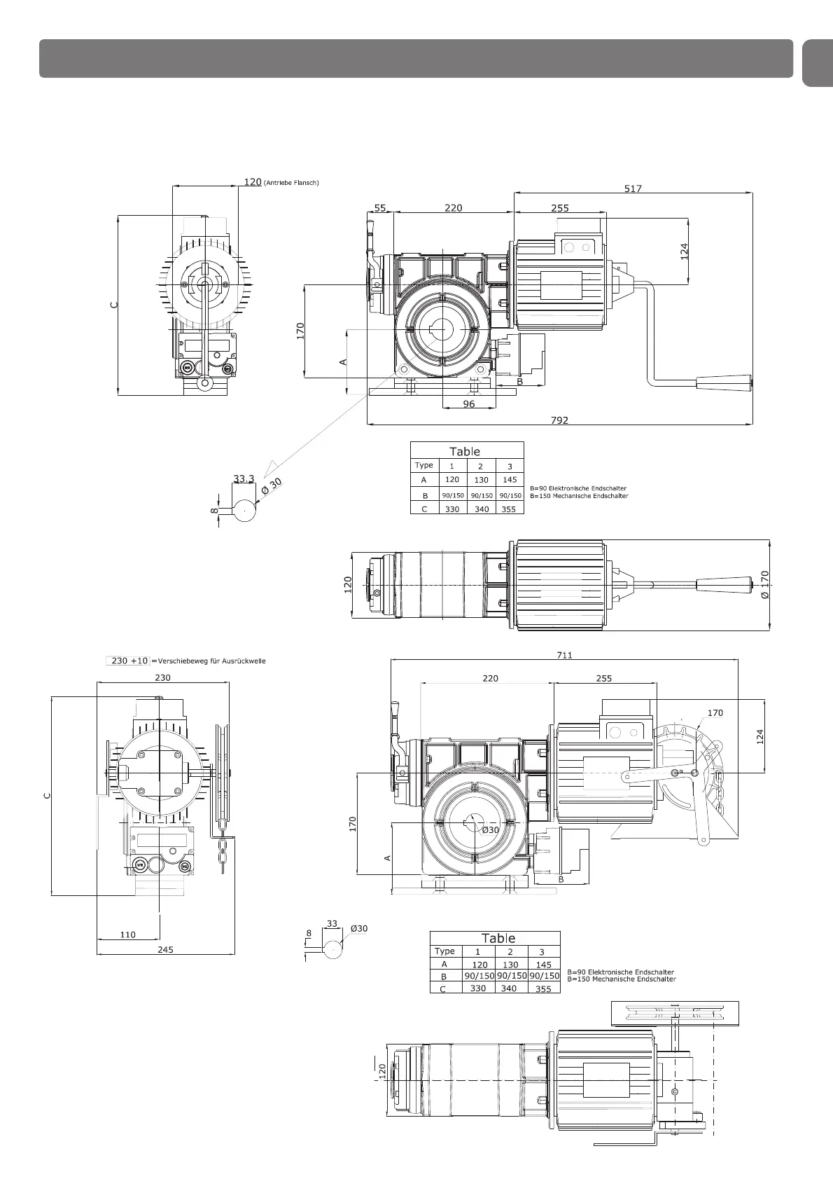
DIMENSIONED GEARMOTOR DRAWINGS FOR ROLLING SHUTTERS
Gearmotors with handle and chain
Ø 12mm
RDF-350-24-KU
RDF-350-24-KE2

Related product manuals