EasyManua.ls Logo

Nice SD Series - Gearmotors with light chain

Nice SD Series
100 pages
Print Icon
To Next Page IconTo Next Page
To Next Page IconTo Next Page
To Previous Page IconTo Previous Page
To Previous Page IconTo Previous Page
Loading...
EN
English – 11
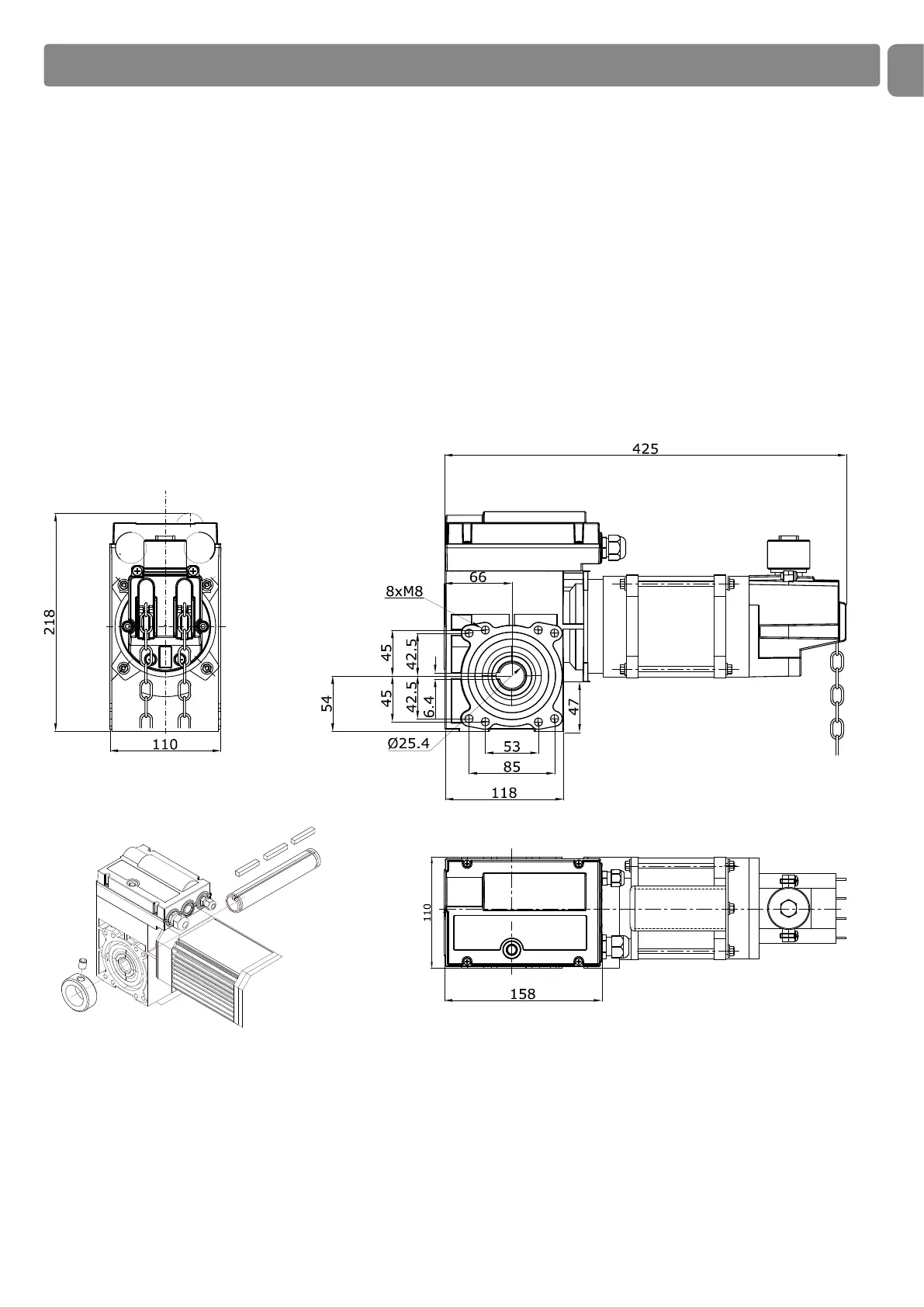
DIMENSIONED DRAWINGS OF GEARMOTORS FOR SECTIONAL DOORS
Gearmotors with light chain
Only with the 0.55-20 gearmotors
Hollow shaft diameter: 25.4 or 31.75 mm.
When assembling gearmotors with 31.75 mm
diameter shaft from the left, the tab is to be blocked
only with a fixing ring because using a screw could
break the shaft.
SD-100-24-KE
SD-120-20-KE
SD-140-20-KE

Related product manuals