EasyManua.ls Logo

Nice SD Series - Page 25

Nice SD Series
100 pages
Print Icon
To Next Page IconTo Next Page
To Next Page IconTo Next Page
To Previous Page IconTo Previous Page
To Previous Page IconTo Previous Page
Loading...
IT
Italiano – 9
SD-100-24-E
SD-120-20-E
SD-140-20-E
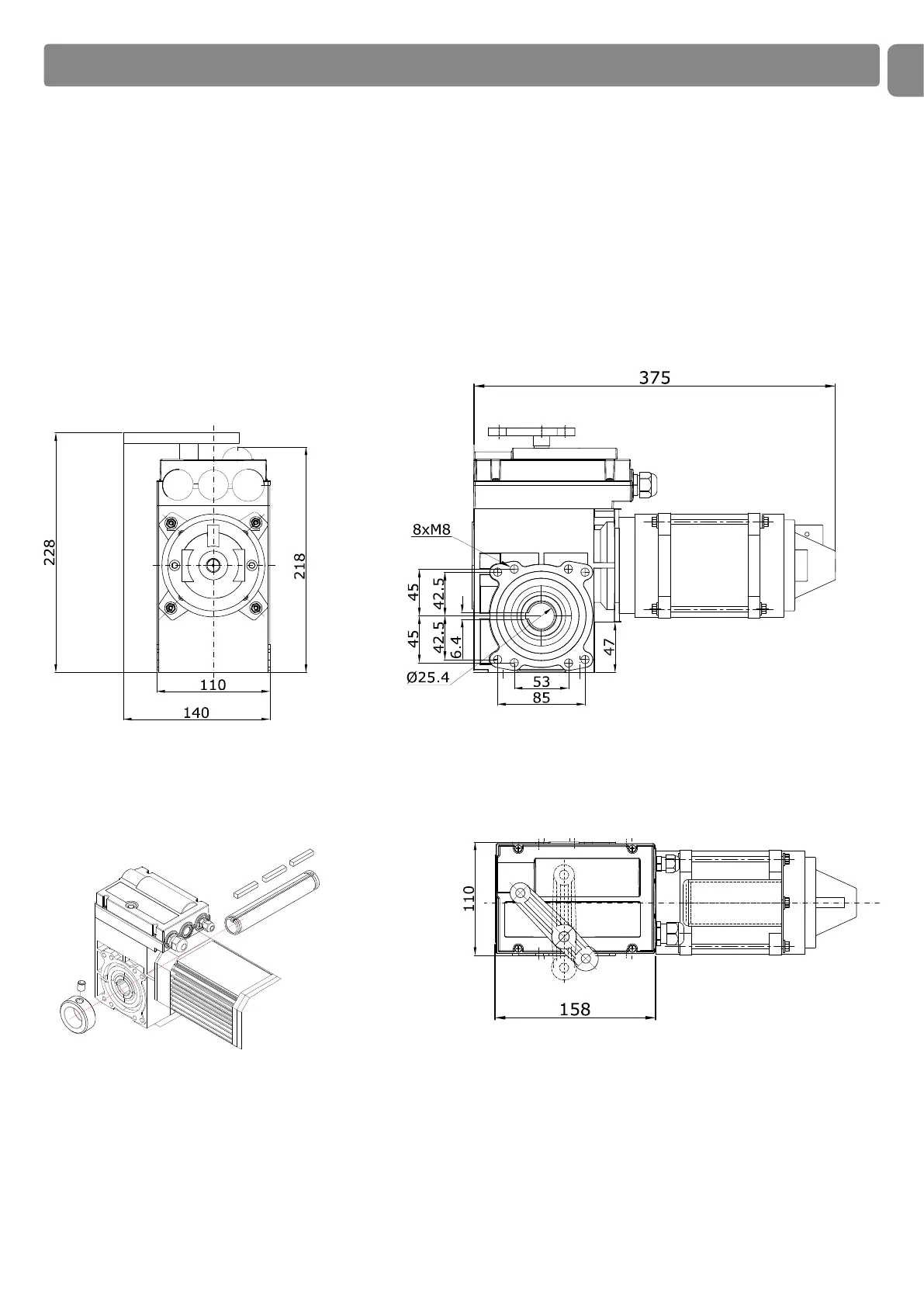
DISEGNI QUOTATI MOTORIDUTTORI PER PORTE SEZIONALI
Motoriduttori con sblocco a fune
Solo con i motoriduttori 0,55-20
Diametro albero cavo; 25,4 o
31,75 mm.
Durante il montaggio da sinistra dei motoriduttori
con albero del diametro di 31,75 mm la chiavetta
(linguetta) va bloccata solo ed esclusivamente con
un anello di fissaggio, in quanto l’uso di una vite
potrebbe provocare la rottura dell’albero!

Related product manuals