EasyManua.ls Logo

Nice SD Series - Page 41

Nice SD Series
100 pages
Print Icon
To Next Page IconTo Next Page
To Next Page IconTo Next Page
To Previous Page IconTo Previous Page
To Previous Page IconTo Previous Page
Loading...
FR
Français – 11
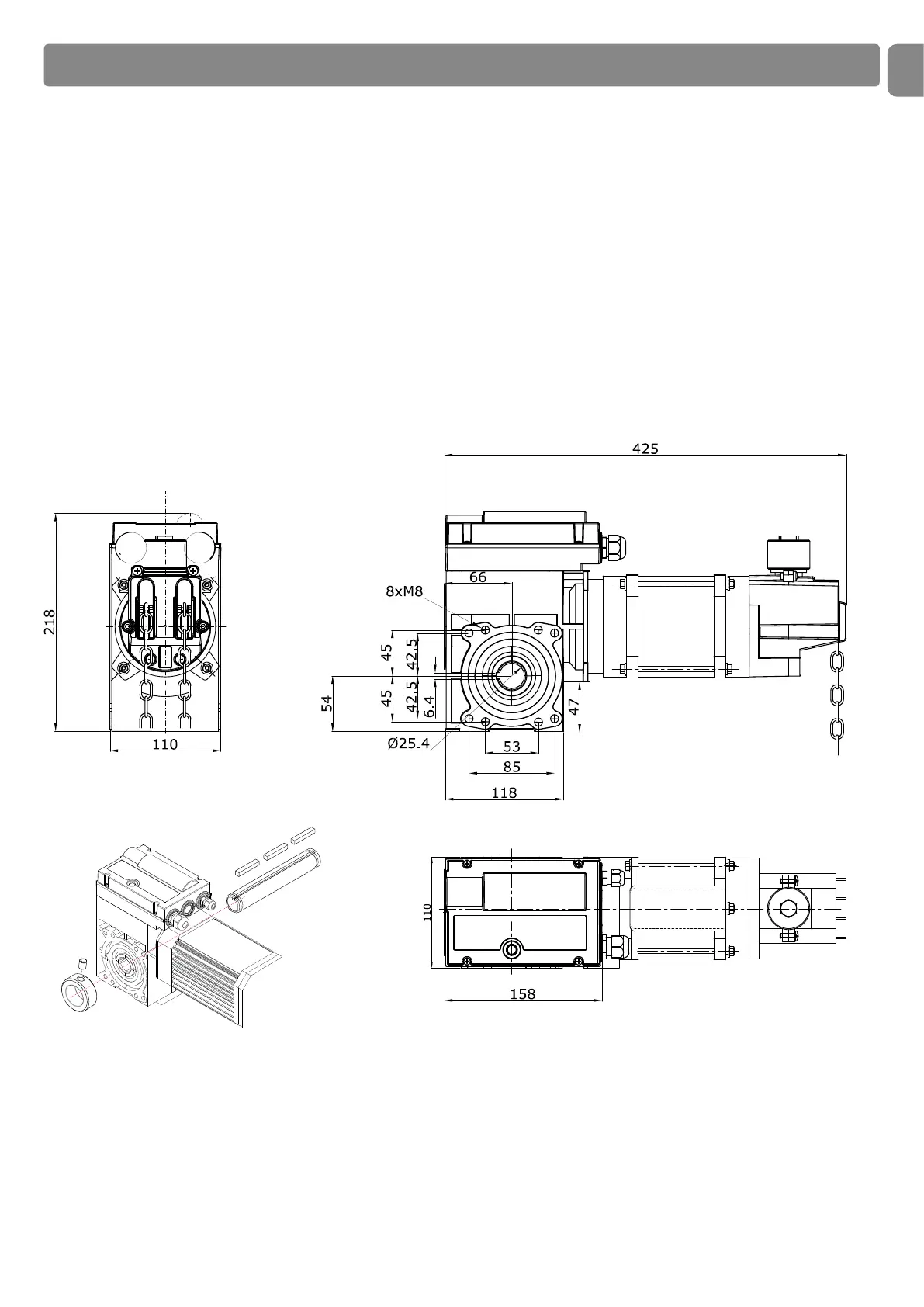
Motoréducteurs avec chaîne légère
Uniquement avec les motoréducteurs
0,55-20
Diamètre arbre creux : 25,4 ou 31,75 mm !
Lors du montage depuis la gauche de motoréducteurs
avec un arbre de 31,75 mm de diamètre, la clavette
(languette) ne doit être bloquée qu’avec une bague
de fixation parce que l’utilisation d’une vis risquerait
de provoquer la rupture de l’arbre !!
SCHÉMAS CÔTÉS MOTORÉDUCTEURS POUR PORTES SECTIONNELLES
SD-100-24-KE
SD-120-20-KE
SD-140-20-KE

Related product manuals