EasyManua.ls Logo

Nice SD Series - Page 69

Nice SD Series
100 pages
Print Icon
To Next Page IconTo Next Page
To Next Page IconTo Next Page
To Previous Page IconTo Previous Page
To Previous Page IconTo Previous Page
Loading...
DE
Deutsch – 11
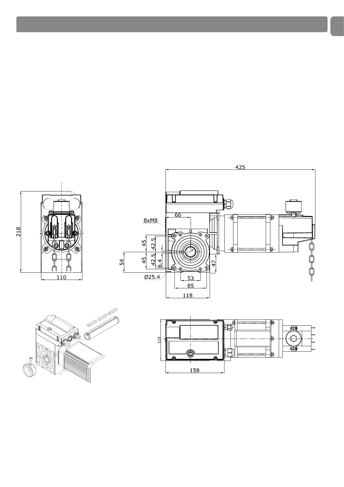
Antriebe mit Leichter Kette
Nur bei Antrieben 0,55-20
Hohlwellendurchmessser
25,4 oder 31,75 mm!
Bei Antrieben mit Wellendurchmesser 31,75 mm ist
bei Montage des Antriebes von links die Passfeder
ausschließlich mit einem Stellring zu sichern, da die
Befestigung mit einer Schraube einen möglichen
Bruch der Welle zur Folge haben kann!!
SD-100-24-KE
SD-120-20-KE
SD-140-20-KE
MASSZEICHNUNGEN SEKTIONALTORANTRIEBE

Related product manuals