EasyManua.ls Logo

Nice SD Series - Page 81

Nice SD Series
100 pages
Print Icon
To Next Page IconTo Next Page
To Next Page IconTo Next Page
To Previous Page IconTo Previous Page
To Previous Page IconTo Previous Page
Loading...
PL
Polski–9
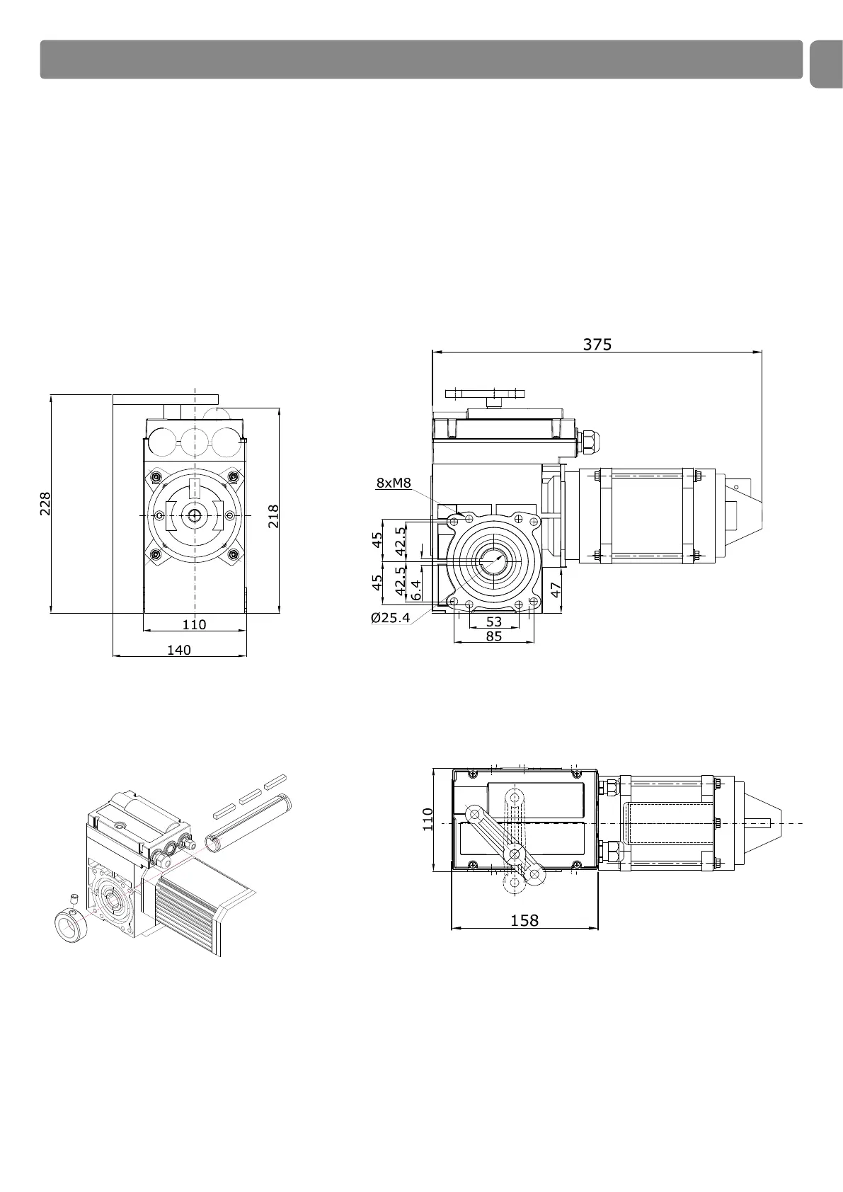
Tylkomotoreduktory0,55-20
Średnicaotworu:25,4lub31,75mm
Wprzypadkumontażuzlewejstrony
motoreduktorównawaleośrednicy31,75wpust
należyzablokowaćtylkoiwyłączniezapomocą
pierścieniamocowania,gdyżużycieśrubymogłoby
uszkodzićwał!!
RYSUNKI Z WYMIARAMI MOTOREDUKTORÓW DO BRAM SEKCYJNYCH
Motoreduktory z odblokowaniem linowym
SD-100-24-E
SD-120-20-E
SD-140-20-E

Related product manuals