EasyManua.ls Logo

Nice SD Series - Page 83

Nice SD Series
100 pages
Print Icon
To Next Page IconTo Next Page
To Next Page IconTo Next Page
To Previous Page IconTo Previous Page
To Previous Page IconTo Previous Page
Loading...
PL
Polski–11
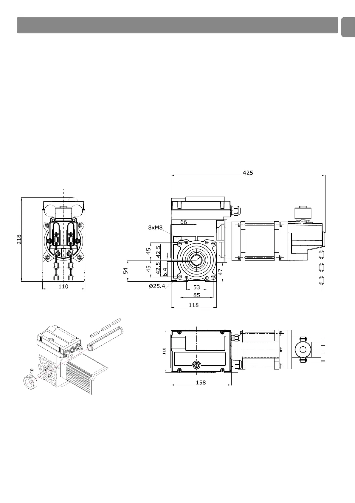
RYSUNKI Z WYMIARAMI MOTOREDUKTORÓW DO BRAM SEKCYJNYCH
Motoreduktory z łańcuchem lekkim
Tylkomotoreduktory0,55-20
Średnicaotworu:25,4lub31,75mm!
Wprzypadkumontażuzlewejstrony
motoreduktorównawaleośrednicy31,75wpust
należyzablokowaćtylkoiwyłączniezapomocą
pierścieniamocowania,gdyżużycieśrubymogłoby
uszkodzićwał!!
SD-100-24-KE
SD-120-20-KE
SD-140-20-KE

Related product manuals