EasyManua.ls Logo

Nice SD Series - Page 97

Nice SD Series
100 pages
Print Icon
To Next Page IconTo Next Page
To Next Page IconTo Next Page
To Previous Page IconTo Previous Page
To Previous Page IconTo Previous Page
Loading...
NL
Nederlands – 11
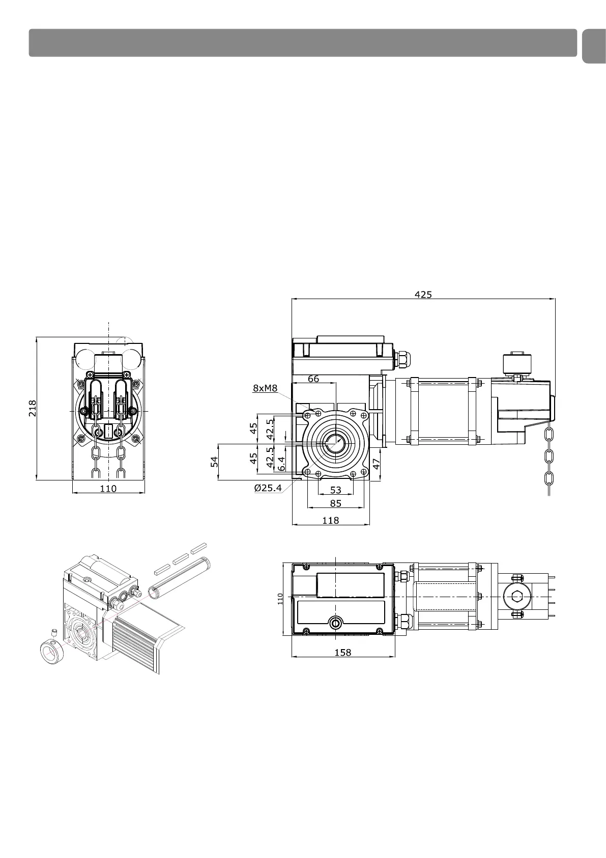
MAATSCHETSEN REDUCTIEMOTOREN VOOR SECTIONALE DEUREN
Reductiemotoren met lichte ketting
Alleen met de reductiemotoren 0,55-20
Diameter holle as; 25,4 of 31,75 mm!
Tijdens de montage vanaf links van de reductiemotoren
met een asdiameter van 31,75 mm wordt de spie (lip)
alleen en uitsluitend geblokkeerd met een aansluitring,
aangezien de as stuk zou kunnen gaan door het
gebruik van een schroef!!
SD-100-24-KE
SD-120-20-KE
SD-140-20-KE

Related product manuals