EasyManua.ls Logo

Nice THOR Series - THOR Spare Parts Catalogue

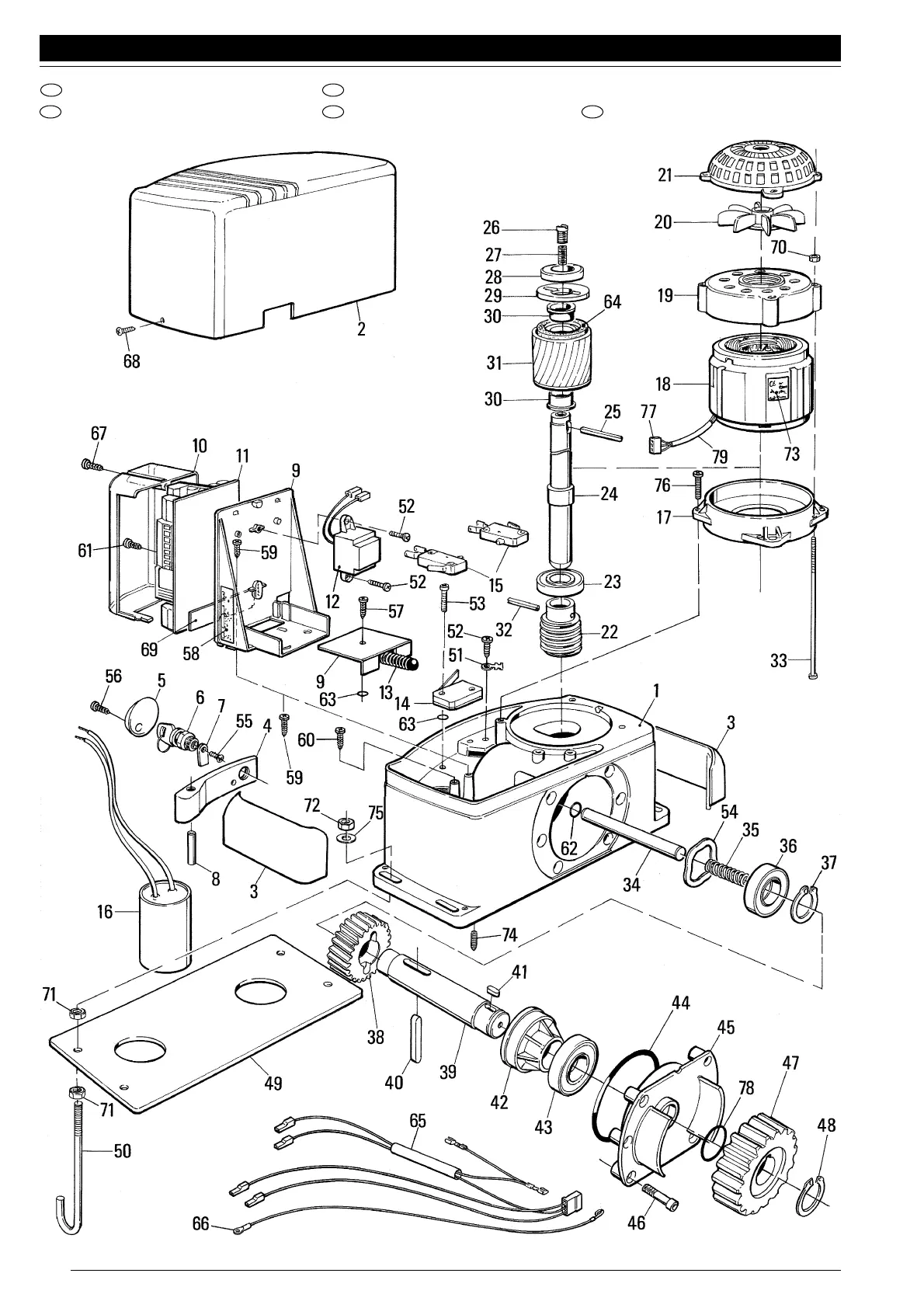
Nice THOR Series
15 pages
Print Icon
To Next Page IconTo Next Page
To Next Page IconTo Next Page
To Previous Page IconTo Previous Page
To Previous Page IconTo Previous Page
Loading...
12
THOR
I GB
F D E
CATALOGO RICAMBI
SPARE PARTS CATALOGUE
CATALOGUE DES RECHANGES
ERSATZTEILKATALOG
CATÁLOGO DE RECAMBIOS

Related product manuals