EasyManua.ls Logo

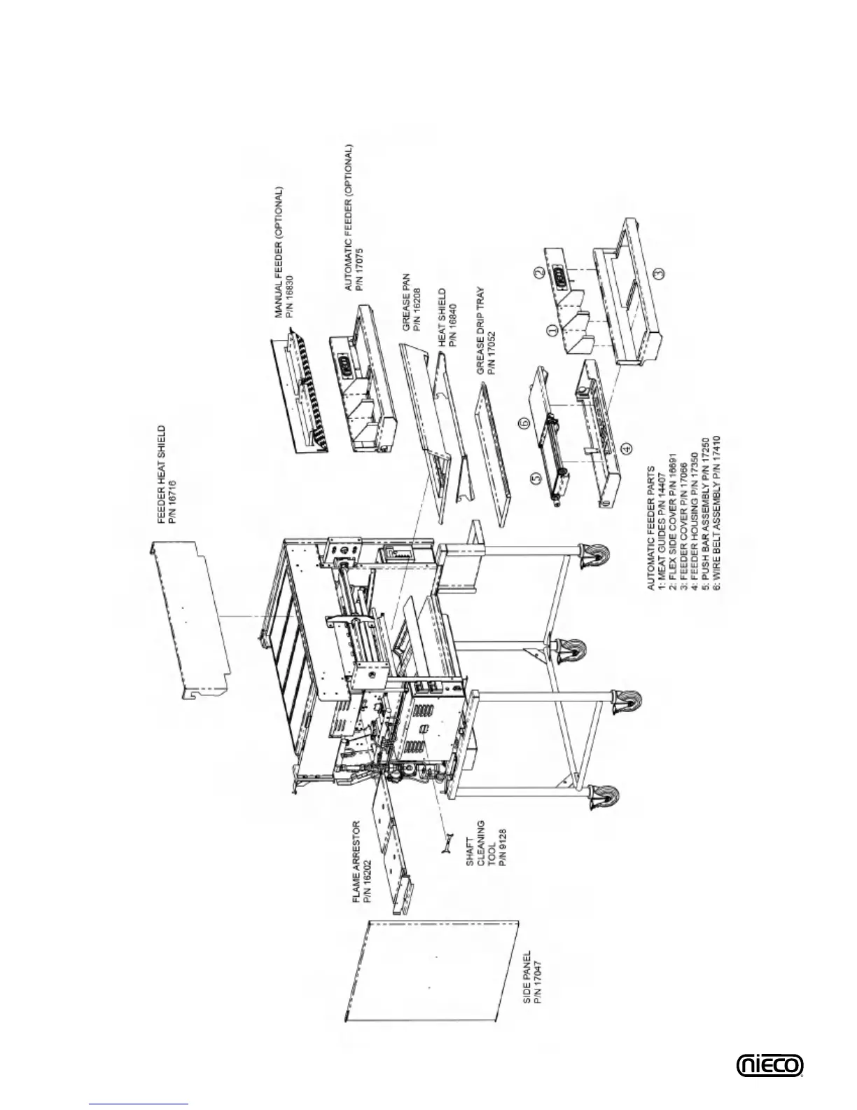
Nieco MPB94 - Parts Location Drawings; Feed End View

Nieco MPB94
44 pages
Print Icon
To Next Page IconTo Next Page
To Next Page IconTo Next Page
To Previous Page IconTo Previous Page
To Previous Page IconTo Previous Page
Loading...
33
Nieco Corporation - Model MPB94
F. PARTS LOCATION DRAWINGS
MPB94 Feed End View